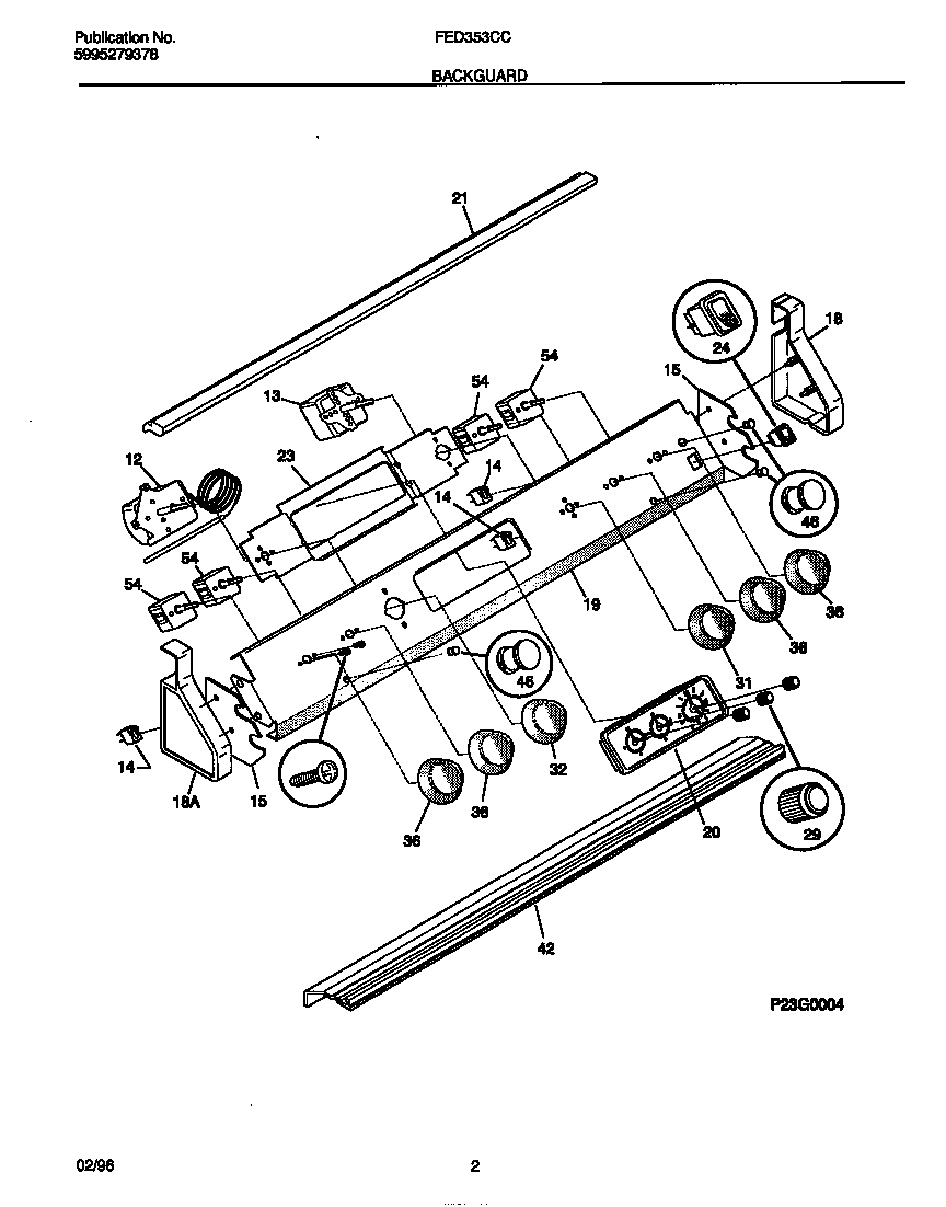
FED353CCWD 02 – BACKGUARDadmin2025-04-26T10:45:22+00:00FED353CCWD 02 – BACKGUARD ProductsPositionProduct12WCI 530330018813WCI 530330018914BLIGHT-SIGNAL S/U14CLIGHT-SIGNAL OVEN LOCK14ALIGHT-LAMP/INDICATOR15WCI 530331112318WCI 530330016018WCI 530330016119WCI 530330018720WCI 31601740421WCI 530330016423BRACKET-CLOCK MTG245304527841 Frigidaire Oven Rocker Switch (Black)29WCI 31602900031WCI 530330019132WCI 530330019036Knob,control ,black42WCI 31810690046LENS-LIGHT54A5303935086 Frigidaire Oven Top Burner Switch Kit695303323137 Frigidaire Oven Screw