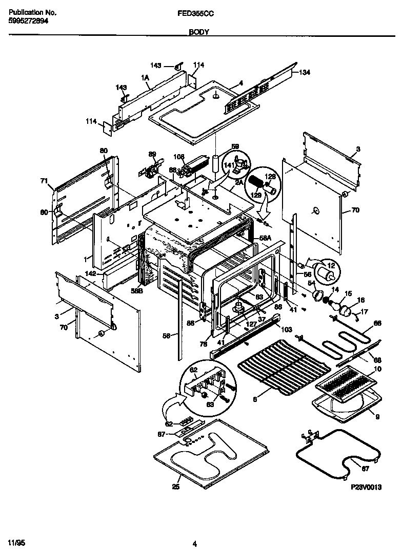
FED355CCS2 03 – BODY