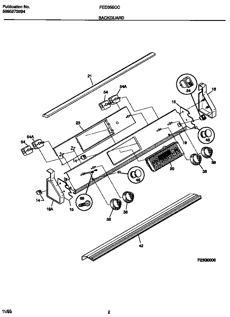
FED355CCSB 02 – BACKGUARDadmin2025-04-26T10:44:12+00:00FED355CCSB 02 – BACKGUARD ProductsPositionProduct14LIGHT-LAMP/INDICATOR15WCI 530331112318318254698 Frigidaire End Cap Set19WCI 31800550120WCI 530331117021WCI 530330468823WCI 31801500024WCI 31600560136WCI 530330467342WCI 530330469046LENS-LIGHT545303935086 Frigidaire Oven Top Burner Switch Kit695303323137 Frigidaire Oven Screw