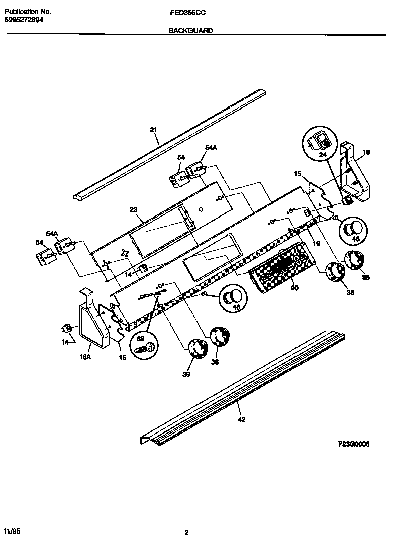
FED355CCT2 02 – BACKGUARDadmin2025-04-26T10:44:32+00:00FED355CCT2 02 – BACKGUARD ProductsPositionProduct14LIGHT-LAMP/INDICATOR15WCI 530331112318CAP-END LH18CAP-END RH19WCI 31800550220WCI 530331117621RAIL-TOP23WCI 31801500024WCI 530330469336KNOB-CONTROL, (3)42RAIL-BOTTOM46LENS-LIGHT545303935086 Frigidaire Oven Top Burner Switch Kit695303323137 Frigidaire Oven Screw