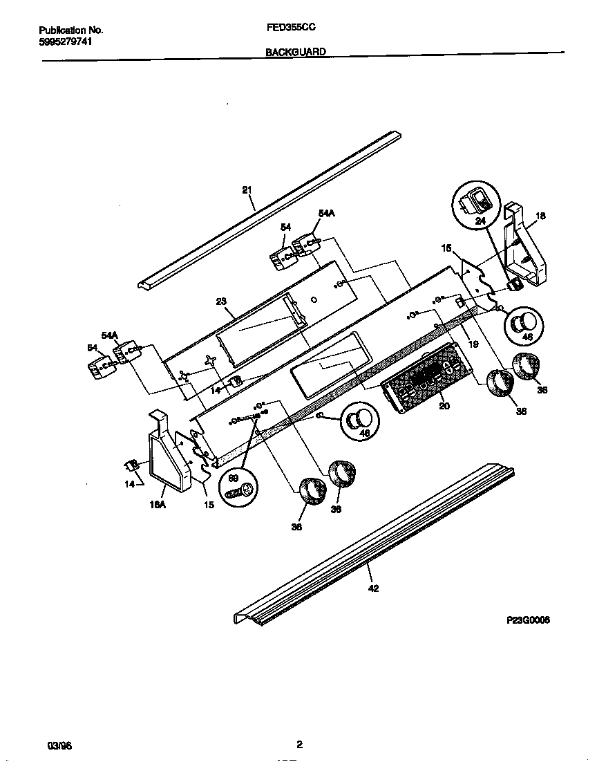
FED355CCTD 02 – BACKGUARDadmin2025-04-26T10:43:23+00:00FED355CCTD 02 – BACKGUARD ProductsPositionProduct14LIGHT-LAMP/INDICATOR15WCI 530331112318CAP-END LH18CAP-END RH19WCI 31800550220WCI 530331117621WCI 31802780223WCI 31801500024WCI 530330469336KNOB-CONTROL, (3)42WCI 31810690246LENS-LIGHT54SWITCH-SURFACE UNIT54WCI 318120501695303323137 Frigidaire Oven Screw