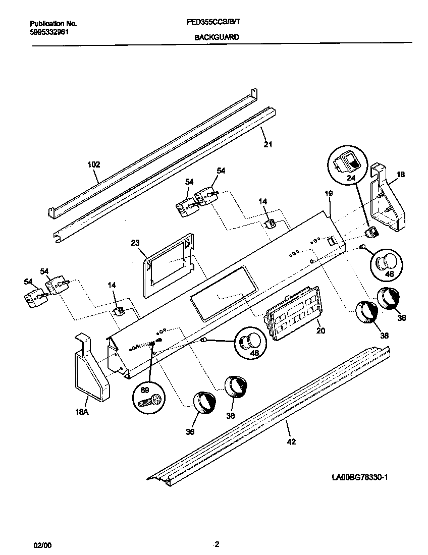
FED355CCTI 02 – BACKGUARDadmin2025-04-26T10:44:30+00:00FED355CCTI 02 – BACKGUARD ProductsPositionProduct*28200SCREW,TRUSS HEAD,8-18 X 0.375*28202SCREW*28203WCI 5303323145*282015303211311 Frigidaire Refrigerator Screw14LIGHT-LAMP/INDICATOR18CAP-END LH18CAP-END RH19WCI 31800554720WCI 31801291821WCI 31802780523WCI 31801502024SWITCH-ROCKER,OVEN LIGHT ,ALMOND36KNOB-SURFACE ALMOND42WCI 31810692846318044511 Frigidaire Oven Lens54WCI 318120501695303323137 Frigidaire Oven Screw99BWCI 530331152899AWCI 5303304544102WCI 318055601