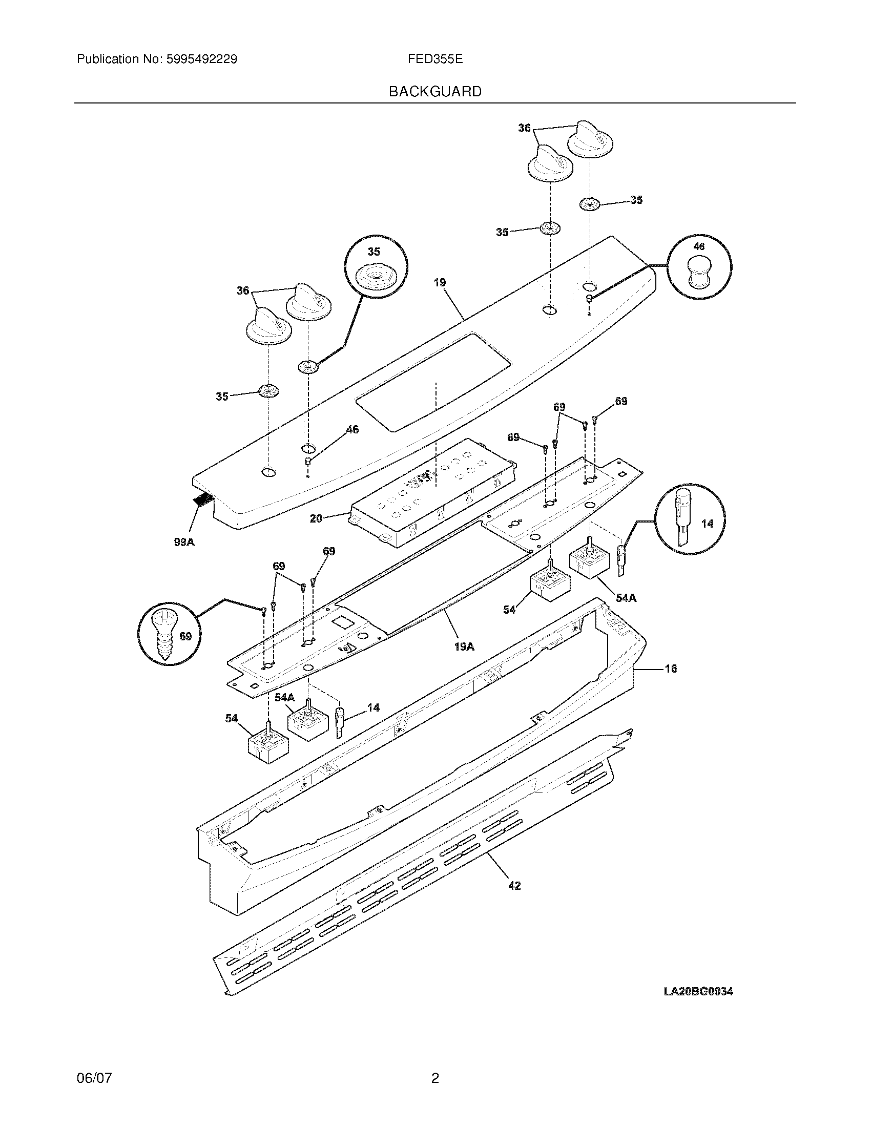
FED355EBC 03 – BACKGUARD