| *11680 | WCI 5303311171 |
| *11681 | SWITCH, THERMAL CUTOUT |
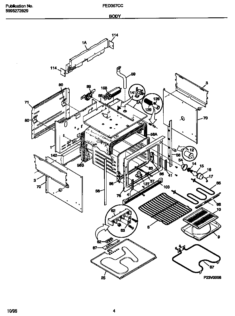
| 1 | WCI 5303310527 |
| 1 | WCI 318070901 |
| 2 | WCI 5303311158 |
| 3A | WCI 5303300142 |
| 3B | WCI 318054700 |
| 6 | 318025314 Frigidaire Oven Rack |
| 9 | WCI 5303310521 |
| 10 | WCI 5303310520 |
| 12 | 318394803 Frigidaire Oven Switch |
| 14 | 316116400 Frigidaire Oven Light Socket |
| 15 | 316538904 Frigidaire Oven Lamp Light |
| 16 | 5304524341 Frigidaire Lens |
| 17 | WIRE, GLASS RETAINER |
| 25 | WCI 5303311141 |
| 37 | 316217002 Frigidaire Oven Temperature Probe |
| 41 | WCI 5303310526 |
| 54 | WCI 5303310514 |
| 56 | WCI 318002701 |
| 58 | INSULATION WRAPPER |
| 58 | WCI 5303310538 |
| 59 | WCI 318072502 |
| 62 | 5304409888 Frigidaire Oven Terminal Block with Hardware |
| 63B | 316205500 Frigidaire Oven Nut |
| 63A | WCI 5303310517 |
| 66 | 318255605 Frigidaire Oven Broil Element Range |
| 67 | BAKE ELEMENT |
| 68 | WCI 5303307563 |
| 70 | WCI 5303300143 |
| 71 | WCI 5303310515 |
| 76 | WCI 5303311159 |
| 80 | WCI 5303301261 |
| 83 | WCI 5303310523 |
| 86 | WCI 5303310524 |
| 87 | WCI 5303311146 |
| 88 | WCI 5303311160 |
| 89 | 318095956 Frigidaire Oven Motor |
| 103 | WCI 5303300217 |
| 108 | WCI 318073001 |
| 114 | PLATE-FILLER |
| 127A | 318317100 Frigidaire Adapter Assembly |
| 127B | WCI 5303311195 |
| 128 | WCI 5303311163 |
| 129 | 5303311164 Frigidaire Oven Spring |
| 141 | Thermostat,safety ,for fan |
| 142 | WCI 5303310541 |