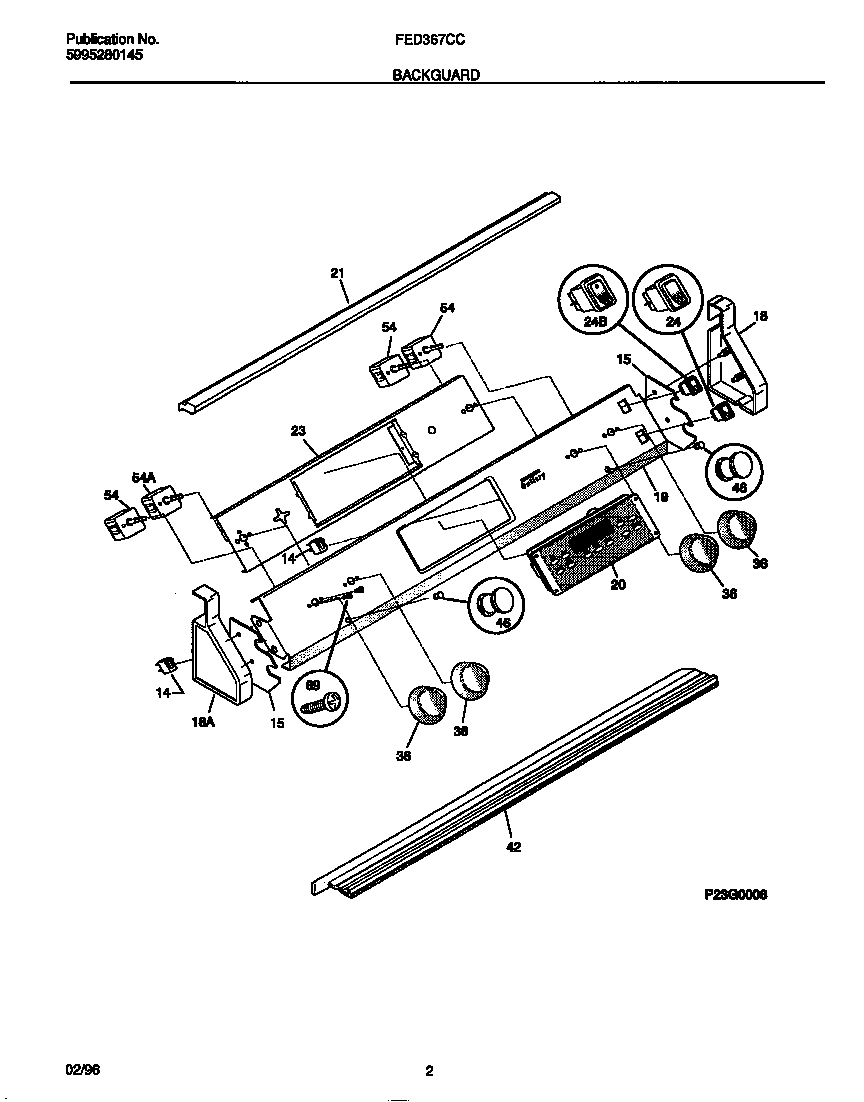
FED367CCBD 02 – BACKGUARDadmin2025-04-26T10:47:40+00:00FED367CCBD 02 – BACKGUARD ProductsPositionProduct*441205303300265 Frigidaire Oven Screw*44121PLATE, BACKUP, LIGHT SWITCH*44122WCI 530331152814LIGHT-LAMP/INDICATOR15WCI 530331112318WCI 530330016018WCI 530330016119WCI 31800551120WCI 31801280021WCI 31802780023WCI 31801500024316083100 Frigidaire Oven Range Rocker Switch245304527841 Frigidaire Oven Rocker Switch (Black)36WCI 31801630242WCI 31810690046LENS-LIGHT54SWITCH-SURFACE UNIT54WCI 318120501695303323137 Frigidaire Oven Screw