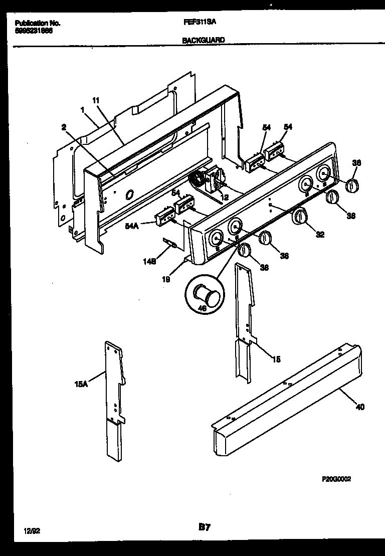
FEF311SAWA 02 – BACKGUARDadmin2025-04-26T08:46:02+00:00FEF311SAWA 02 – BACKGUARD ProductsPositionProduct1SHIELD-BACKGUARD, REAR WALL2SHIELD-BACKGUARD, INNER11WCI 31603430712WCI 31603240114B316022503 Frigidaire Light Lamp P-115WCI 31602310215BWCI 530328857415AWCI 31602310319WCI 31602440732WCI 31605490036WCI 31602510040WCI 31602580046318228310 Frigidaire Oven Lens545303935086 Frigidaire Oven Top Burner Switch Kit54A316436001 Frigidaire Oven Range Infinite Burner Switch