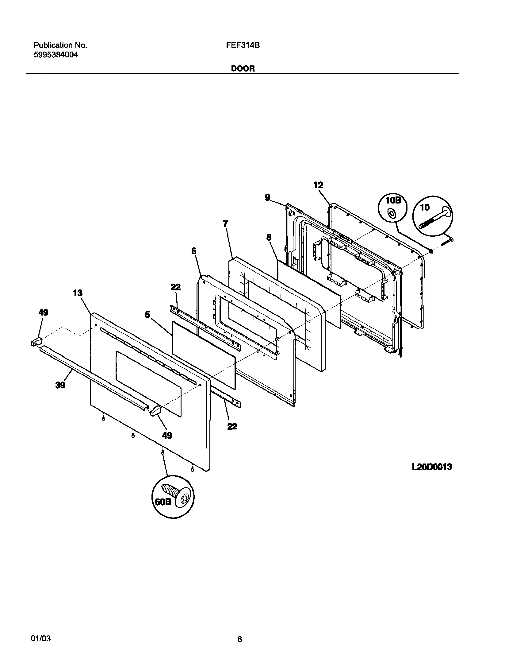
FEF314BUA 09 – DOOR