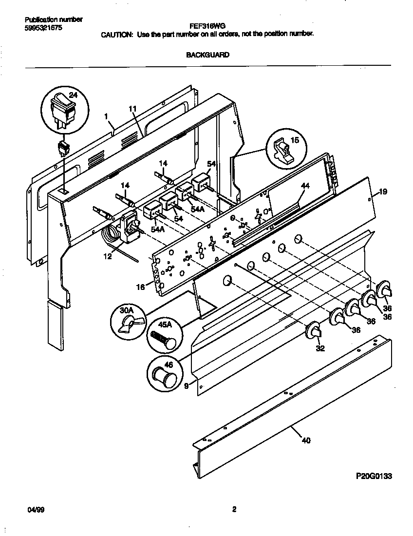
FEF316WGSD 02 – BACKGUARD