FEF316WGTC 02 – BACKGUARDadmin2025-04-26T08:45:56+00:00FEF316WGTC 02 – BACKGUARD
Products
| Position | Product |
|---|
| *98922 | 316021105 Frigidaire Oven Screw |
| *98921 | WCI 316002675 |
| *98920 | WCI 316001558 |
| *98925 | 316112500 Frigidaire Oven Template |
| *98926 | WCI 5303272555 |
| *98924 | 316021109 Frigidaire Oven Screw |
| *98923 | Screw,cup pt ,8-18 x 0.375 ,chrome |
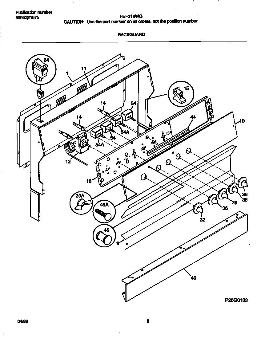
| 1 | SHIELD-BACKGUARD,REAR WALL |
| 9 | WCI 316043602 |
| 11 | WCI 316083717 |
| 12 | WCI 5303212745 |
| 14 | LIGHT/LAMP, INDICATOR, BLUE, 250 V |
| 15 | SUPPORT-BACKGUARD,(2) |
| 16 | WCI 316042602 |
| 19 | WCI 316034129 |
| 24 | SWITCH-ROCKER,OVEN LIGHT ,ALMOND |
| 30 | WCI 316064300 |
| 32 | WCI 316016838 |
| 36 | WCI 316016935 |
| 40 | WCI 316064015 |
| 44 | WCI 3131468 |
| 45 | Bolt,fastener ,nylon ,almond ,(2) |
| 46 | Lens,indicator light ,red |
| 54 | 5303935086 Frigidaire Oven Top Burner Switch Kit |