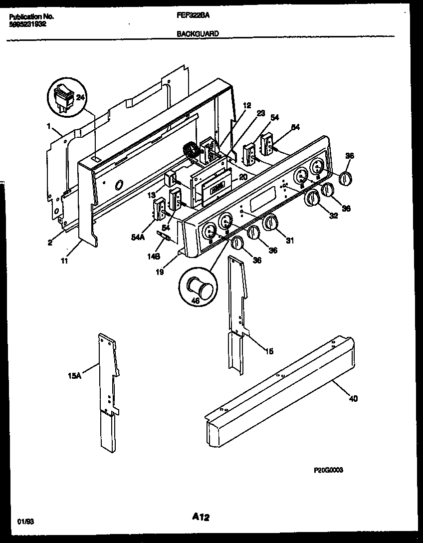
FEF322BADA 02 – BACKGUARDadmin2025-04-26T08:46:11+00:00FEF322BADA 02 – BACKGUARD ProductsPositionProduct1SHIELD-BACKGUARD, REAR WALL2SHIELD-BACKGUARD, INNER11WCI 31603430212THERMOSTAT, OVEN, NON SC13WCI 31603250014B316022503 Frigidaire Light Lamp P-115BWCI 530328857415WCI 31602310215AWCI 31602310319WCI 31602440420WCI 31604510023WCI 316033201245304527841 Frigidaire Oven Rocker Switch (Black)31WCI 31605490432WCI 31605490036WCI 31602510040WCI 31602580046318228310 Frigidaire Oven Lens545303935086 Frigidaire Oven Top Burner Switch Kit54A316436001 Frigidaire Oven Range Infinite Burner Switch