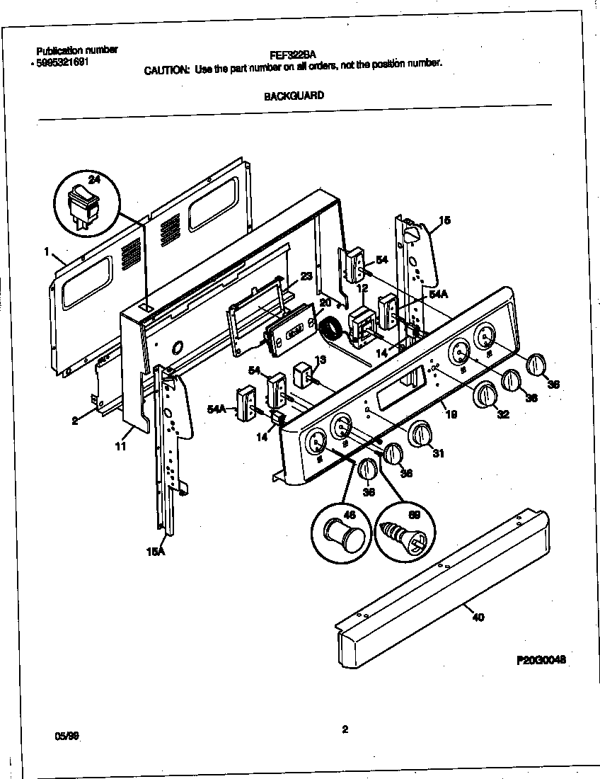
FEF322BADM 02 – BACKGUARDadmin2025-04-26T08:45:55+00:00FEF322BADM 02 – BACKGUARD ProductsPositionProduct*02080316021105 Frigidaire Oven Screw*02081Screw,cup pt ,8-18 x 0.375 ,chrome*02082316021109 Frigidaire Oven Screw*02086WCI 316098007*02084SCREW-SWITCH MTG, 8-32 X 3/16, SW TO CNTL PNL, (8)*02083316112500 Frigidaire Oven Template1WCI 3160816012WCI 31601590711BWCI 31608371911AWCI 31606185112316032405 Frigidaire Control Electrical P113WCI 31603250014316022503 Frigidaire Light Lamp P-115WCI 31602310915WCI 31602310819WCI 31610052920WCI 31612050023WCI 316033204245304527841 Frigidaire Oven Rocker Switch (Black)31WCI 31610960232WCI 31610960036316025108 Frigidaire Control Knob40WCI 31602580046318228310 Frigidaire Oven Lens545303935086 Frigidaire Oven Top Burner Switch Kit54316436001 Frigidaire Oven Range Infinite Burner Switch