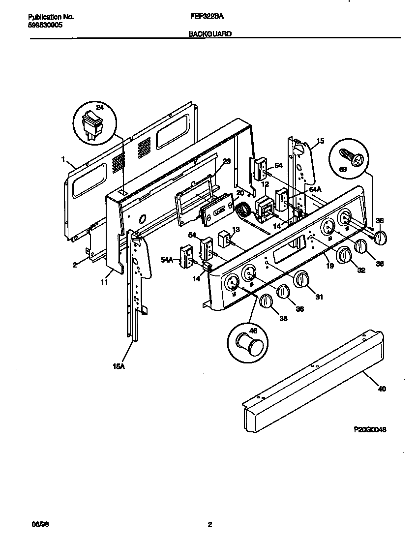
FEF322BAWH 02 – BACKGUARDadmin2025-04-26T08:46:09+00:00FEF322BAWH 02 – BACKGUARD ProductsPositionProduct*86761316021105 Frigidaire Oven Screw*86762Screw,cup pt ,8-18 x 0.375 ,chrome*86760WCI 316003018*86763316021109 Frigidaire Oven Screw*86764WCI 3160980001WCI 3160816012WCI 31601590711WCI 31608371912THERMOSTAT, OVEN, NON SC13WCI 31603250014316022503 Frigidaire Light Lamp P-115WCI 31602310915WCI 31602310819WCI 31602447720WCI 31609790123WCI 316033204245304527841 Frigidaire Oven Rocker Switch (Black)31WCI 31610960232WCI 31610960036WCI 31602510040WCI 31602580046318228310 Frigidaire Oven Lens545303935086 Frigidaire Oven Top Burner Switch Kit54316436001 Frigidaire Oven Range Infinite Burner Switch69SCREW-SWITCH MTG, 8-32 X 3/16, SW TO CNTL PNL, (8)