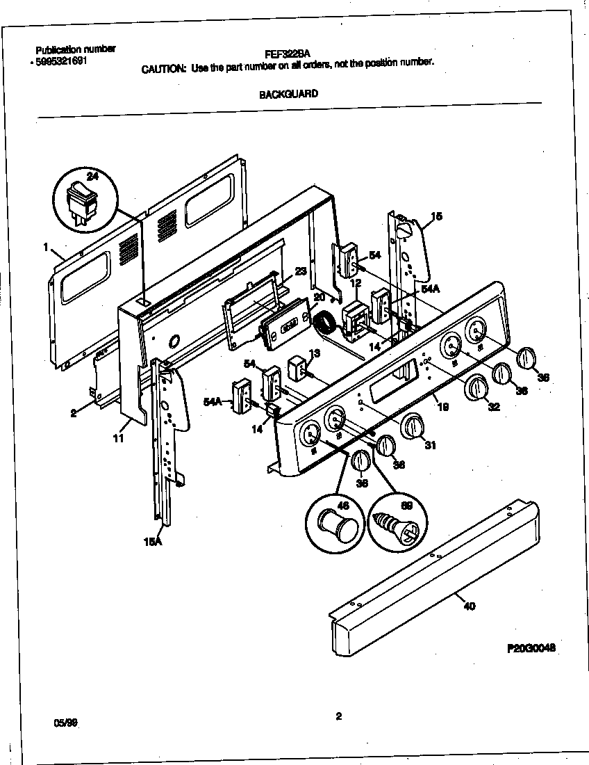
FEF322BAWL 02 – BACKGUARDadmin2025-04-26T08:46:12+00:00FEF322BAWL 02 – BACKGUARD ProductsPositionProduct*02080316021105 Frigidaire Oven Screw*02082316021109 Frigidaire Oven Screw*02085WCI 316098000*02083316112500 Frigidaire Oven Template*02084SCREW-SWITCH MTG, 8-32 X 3/16, SW TO CNTL PNL, (8)*02081Screw,cup pt ,8-18 x 0.375 ,chrome1WCI 3160816012WCI 31601590711AWCI 31606185111BWCI 31608371912316032405 Frigidaire Control Electrical P113WCI 31603250014316022503 Frigidaire Light Lamp P-115WCI 31602310915WCI 31602310819WCI 31610052920WCI 31611330023WCI 316033204245304527841 Frigidaire Oven Rocker Switch (Black)31WCI 31610960232WCI 31610960036WCI 31602510040WCI 31602580046318228310 Frigidaire Oven Lens545303935086 Frigidaire Oven Top Burner Switch Kit54316436001 Frigidaire Oven Range Infinite Burner Switch