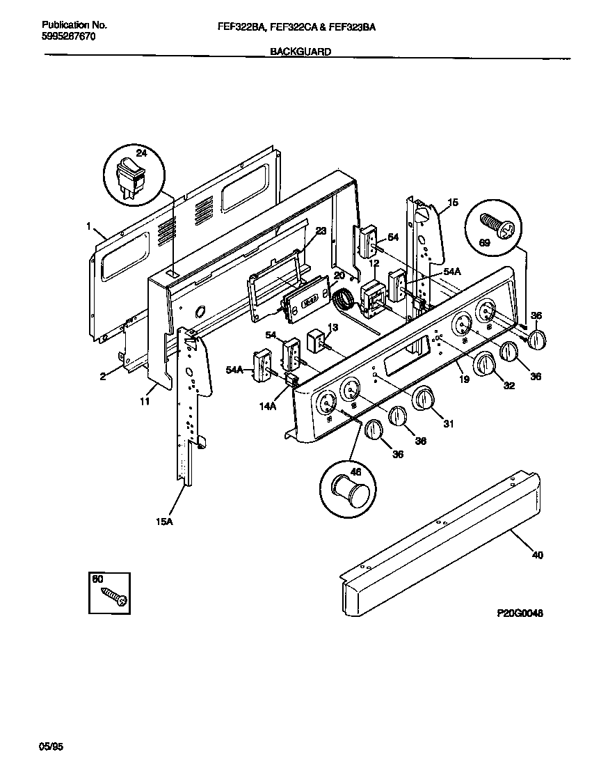
FEF323BADC 02 – BACKGUARDadmin2025-04-26T08:46:23+00:00FEF323BADC 02 – BACKGUARD ProductsPositionProduct*93697316021105 Frigidaire Oven Screw*93696WCI 53032815841WCI 3160816012WCI 31601590711WCI 31606180712THERMOSTAT, OVEN, NON SC13SWITCH-SELECTOR, 4 POS NSC13AWCI 530329140714A316022503 Frigidaire Light Lamp P-115AWCI 31602311115WCI 31602311019WCI 31602440120WCI 31601740423WCI 316033203245304527841 Frigidaire Oven Rocker Switch (Black)29WCI 31602900031WCI 31605490632WCI 31605490036WCI 31602510040WCI 31602580046318228310 Frigidaire Oven Lens54A316436001 Frigidaire Oven Range Infinite Burner Switch545303935086 Frigidaire Oven Top Burner Switch Kit60WCI 530328857469SCREW-SWITCH MTG, 8-32 X 3/16, SW TO CNTL PNL, (8)