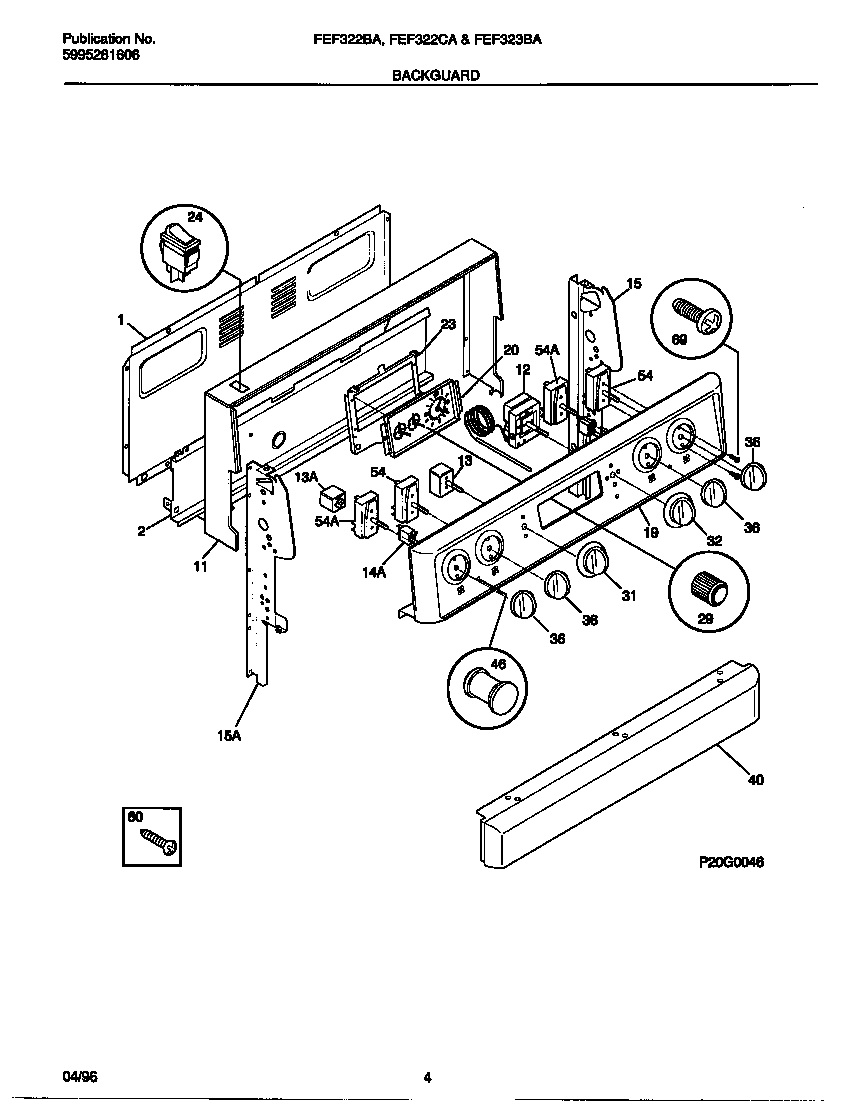
FEF323BADE 03 – BACKGUARDadmin2025-04-26T08:46:08+00:00FEF323BADE 03 – BACKGUARD ProductsPositionProduct*60721Screw,cup pt ,8-18 x 0.375 ,chrome1WCI 3160816012WCI 31601590711WCI 31608370512THERMOSTAT, OVEN, NON SC13WCI 530329140713SWITCH-SELECTOR, 4 POS NSC14316022503 Frigidaire Light Lamp P-115WCI 31602311115WCI 31602311019WCI 31602440120WCI 31601740423WCI 316033203245304527841 Frigidaire Oven Rocker Switch (Black)29WCI 31602900831WCI 31605490632WCI 31605490036WCI 31602510040WCI 31602580046318228310 Frigidaire Oven Lens54316436001 Frigidaire Oven Range Infinite Burner Switch545303935086 Frigidaire Oven Top Burner Switch Kit60316021105 Frigidaire Oven Screw69SCREW-SWITCH MTG, 8-32 X 3/16, SW TO CNTL PNL, (8)