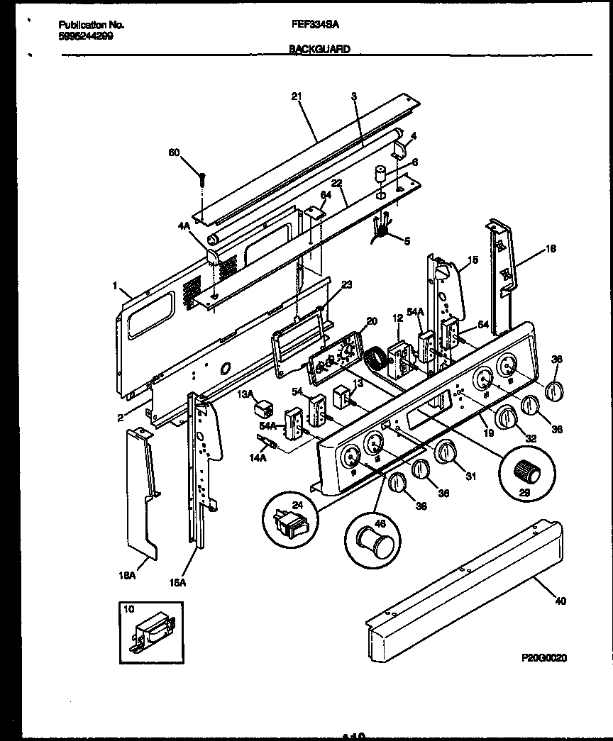
FEF334SAWA 02 – BACKGUARD