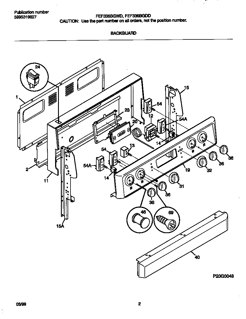
FEF336BGWD 02 – BACKGUARDadmin2025-04-26T08:46:07+00:00FEF336BGWD 02 – BACKGUARD ProductsPositionProduct*71845SCREW-SWITCH MTG, 8-32 X 3/16, SW TO CNTL PNL, (8)*71844WCI 316098007*71840WCI 316081303*71843316112500 Frigidaire Oven Template*71841Screw,cup pt ,8-18 x 0.375 ,chrome*71842316021109 Frigidaire Oven Screw1WCI 3160816012WCI 31601590511WCI 31608371912316032405 Frigidaire Control Electrical P113WCI 31603250014316022503 Frigidaire Light Lamp P-115WCI 31602310815WCI 31602310919WCI 31610052920WCI 31612050023WCI 316033204245304527841 Frigidaire Oven Rocker Switch (Black)31WCI 31610960232WCI 31610960036316025108 Frigidaire Control Knob40WCI 31602580046318228310 Frigidaire Oven Lens545303935086 Frigidaire Oven Top Burner Switch Kit54316436001 Frigidaire Oven Range Infinite Burner Switch