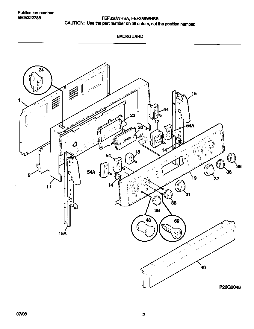
FEF336WHSA 02 – BACKGUARDadmin2025-04-26T08:46:22+00:00FEF336WHSA 02 – BACKGUARD ProductsPositionProduct*86404SCREW-SWITCH MTG, 8-32 X 3/16, SW TO CNTL PNL, (8)*86405WCI 316098001*86403316112500 Frigidaire Oven Template*86401Screw,cup pt ,8-18 x 0.375 ,chrome*86402316021109 Frigidaire Oven Screw1WCI 3160816012WCI 31601590511WCI 31608372112316032405 Frigidaire Control Electrical P113WCI 31603250014316022503 Frigidaire Light Lamp P-115WCI 31602310915WCI 31602310819Panel-control,backguard ,white20WCI 31611330023WCI 316033204245304527842 Frigidaire Rocker Switch31WCI 31610960336BWCI 31610960136A316025106 Frigidaire Control Knob40WCI 31602580846318228310 Frigidaire Oven Lens545303935086 Frigidaire Oven Top Burner Switch Kit54316436001 Frigidaire Oven Range Infinite Burner Switch