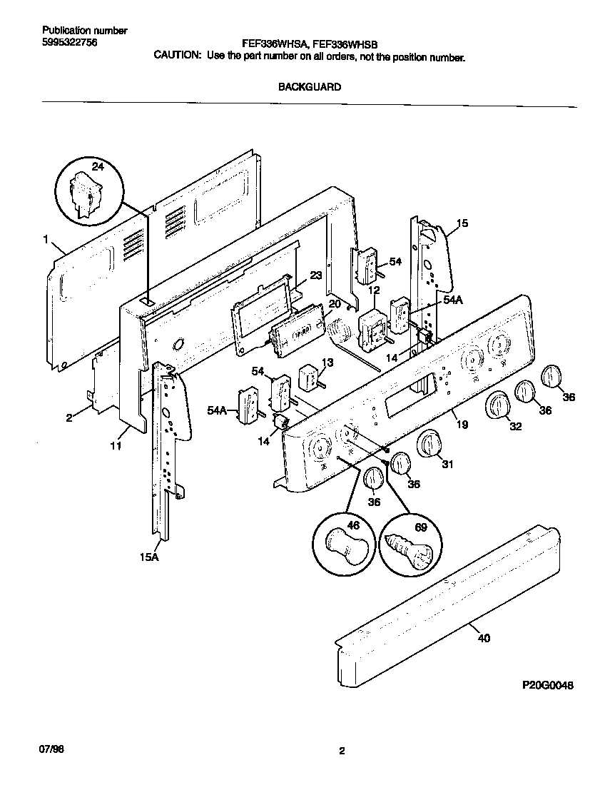
FEF336WHSB 02 – BACKGUARDadmin2025-04-26T08:46:33+00:00FEF336WHSB 02 – BACKGUARD ProductsPositionProduct*86404SCREW-SWITCH MTG, 8-32 X 3/16, SW TO CNTL PNL, (8)*86406WCI 316098008*864005304530039 Frigidaire Handle Set*86403316112500 Frigidaire Oven Template*86401Screw,cup pt ,8-18 x 0.375 ,chrome*86402316021109 Frigidaire Oven Screw1WCI 3160816012WCI 31601590511WCI 31608372112316032405 Frigidaire Control Electrical P113WCI 31603250014316022503 Frigidaire Light Lamp P-115WCI 31602310815WCI 31602310919Panel-control,backguard ,white20WCI 31612050023WCI 316033204245304527842 Frigidaire Rocker Switch31WCI 31610960336A316025106 Frigidaire Control Knob36BWCI 31610960140WCI 31602580846318228310 Frigidaire Oven Lens54316436001 Frigidaire Oven Range Infinite Burner Switch545303935086 Frigidaire Oven Top Burner Switch Kit