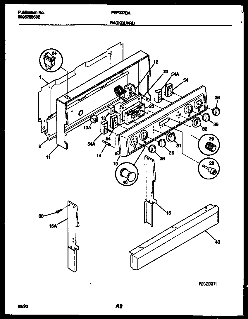
FEF337BADA 02 – BACKGUARDadmin2025-04-26T08:45:58+00:00FEF337BADA 02 – BACKGUARD ProductsPositionProduct1SHIELD-BACKGUARD, REAR WALL2WCI 31601590511WCI 31603430212THERMOSTAT, OVEN, NON SC13SWITCH-SELECTOR13AWCI 530329140714316022503 Frigidaire Light Lamp P-115WCI 31602310215AWCI 31602310319WCI 31602440620WCI 31604550023WCI 316033201245304527841 Frigidaire Oven Rocker Switch (Black)28WCI 313173029WCI 530327113331WCI 31605490632WCI 31605490036WCI 31602510040WCI 31602580046318228310 Frigidaire Oven Lens545303935086 Frigidaire Oven Top Burner Switch Kit54A316436001 Frigidaire Oven Range Infinite Burner Switch60WCI 5303288574