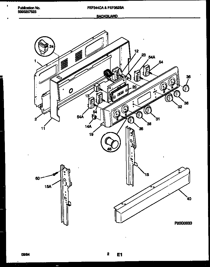
FEF342BADB 02 – BACKGUARDadmin2025-04-26T08:46:15+00:00FEF342BADB 02 – BACKGUARD ProductsPositionProduct1WCI 3160752012WCI 31601590711WCI 31606180212THERMOSTAT, OVEN, NON SC13WCI 31603250014A316022503 Frigidaire Light Lamp P-115WCI 31602311015AWCI 31602311115BWCI 530328857419WCI 31602441820WCI 31604510323WCI 316033203245304527841 Frigidaire Oven Rocker Switch (Black)31WCI 31605490432WCI 31605490036WCI 31602510040WCI 31602580046318228310 Frigidaire Oven Lens54A316436001 Frigidaire Oven Range Infinite Burner Switch545303935086 Frigidaire Oven Top Burner Switch Kit60WCI 5303281584