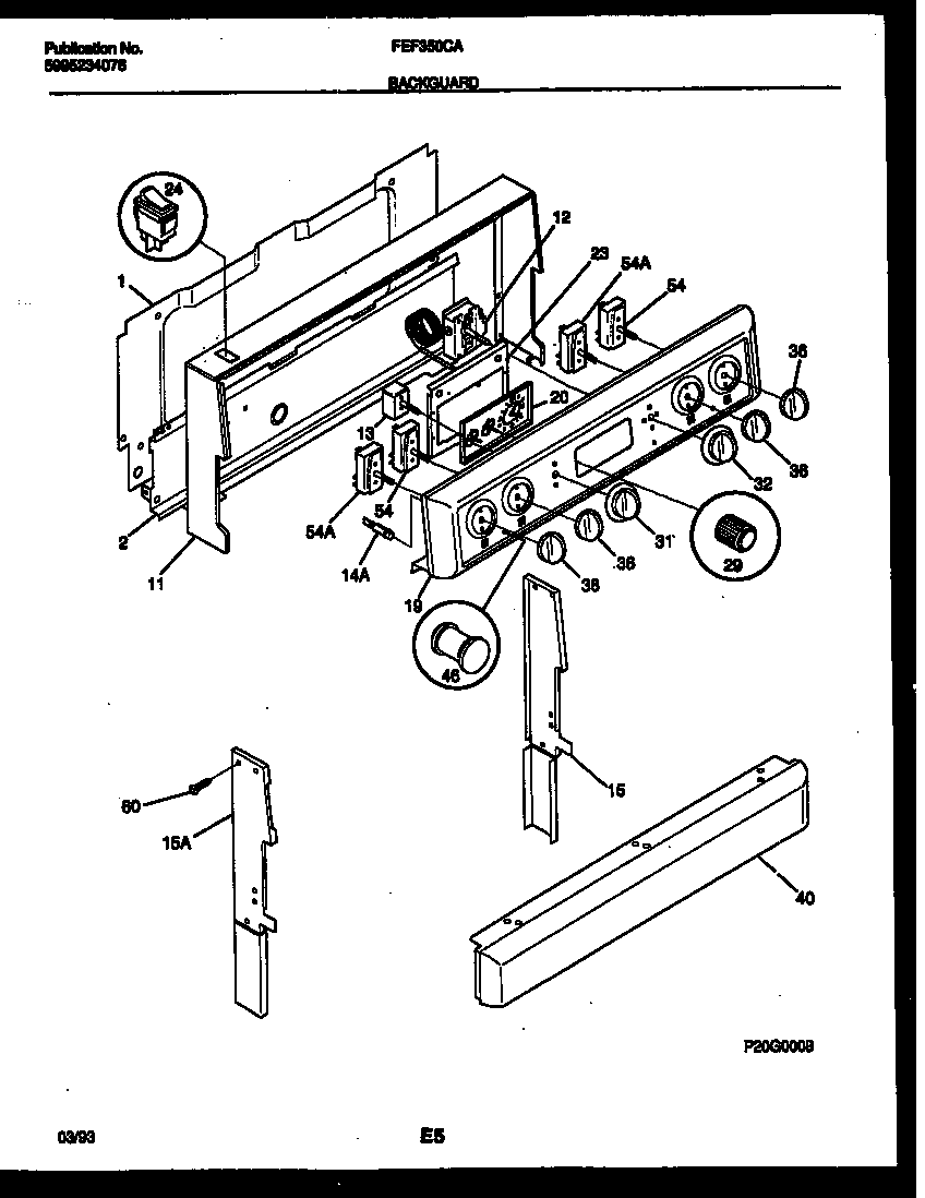
FEF350CADA 02 – BACKGUARD