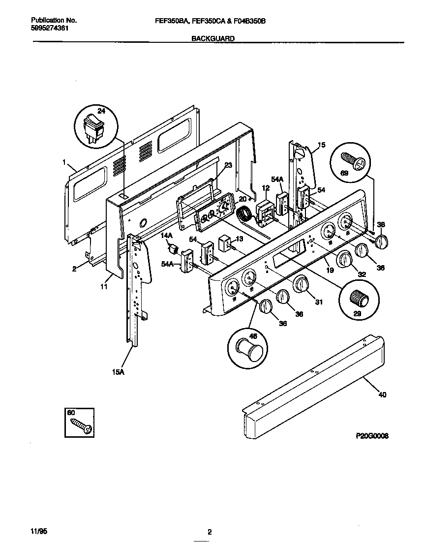
FEF350CASE 02 – BACKGUARDadmin2025-04-26T10:33:52+00:00FEF350CASE 02 – BACKGUARD ProductsPositionProduct*11721WCI 5303288574*11720WCI 53032815841WCI 3160816012WCI 31601590711WCI 31608370012THERMOSTAT-OVEN13WCI 31602320014316022503 Frigidaire Light Lamp P-115WCI 31602311115WCI 31602311019WCI 31602442320WCI 31601740723WCI 316033203245304527842 Frigidaire Rocker Switch29WCI 31602900331WCI 31605491432WCI 31605491136WCI 31602510340WCI 31602580846318228310 Frigidaire Oven Lens545303935086 Frigidaire Oven Top Burner Switch Kit54316436001 Frigidaire Oven Range Infinite Burner Switch60316021105 Frigidaire Oven Screw69SCREW-SWITCH MTG, 8-32 X 3/16, SW TO CNTL PNL, (8)