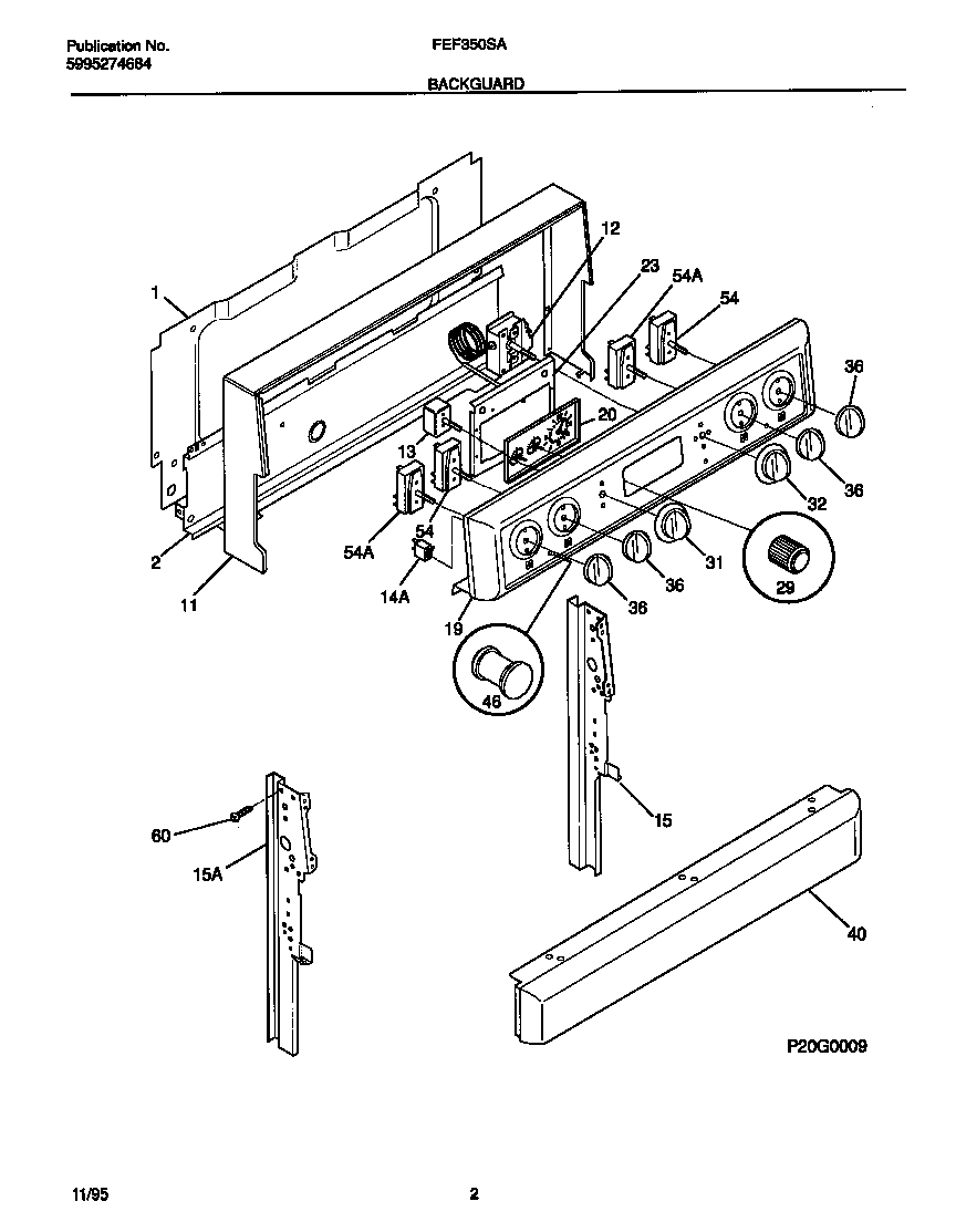
FEF350SADE 02 – BACKGUARDadmin2025-04-26T10:34:45+00:00FEF350SADE 02 – BACKGUARD ProductsPositionProduct*70801WCI 5303281584*70800SCREW-SWITCH MTG, 8-32 X 3/16, SW TO CNTL PNL, (8)*70802WCI 53032885741WCI 3160816012WCI 31601590711WCI 31608370512THERMOSTAT-OVEN13WCI 31602320014316022503 Frigidaire Light Lamp P-115WCI 31602311115WCI 31602311019WCI 31602440020WCI 31601740423WCI 31603320329WCI 31602900031WCI 31605490832WCI 31605490236WCI 31602510040WCI 31602580046318228310 Frigidaire Oven Lens54316436001 Frigidaire Oven Range Infinite Burner Switch545303935086 Frigidaire Oven Top Burner Switch Kit60316021105 Frigidaire Oven Screw