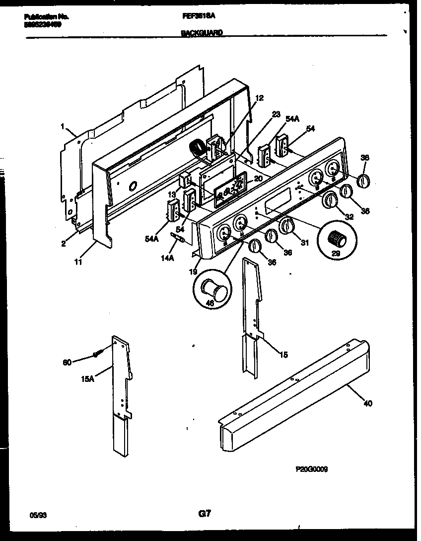
FEF351SAWA 02 – BACKGUARDadmin2025-04-26T10:34:51+00:00FEF351SAWA 02 – BACKGUARD ProductsPositionProduct1SHIELD-BACKGUARD, REAR WALL2WCI 31601590511WCI 31603430712THERMOSTAT-OVEN13WCI 31602320014A316022503 Frigidaire Light Lamp P-115WCI 31602310215AWCI 31602310319WCI 31602441320WCI 31601740423WCI 31603320129WCI 31602900031WCI 31605490832WCI 31605490236WCI 31602510040WCI 31602580046318228310 Frigidaire Oven Lens545303935086 Frigidaire Oven Top Burner Switch Kit54A316436001 Frigidaire Oven Range Infinite Burner Switch60WCI 5303288574