| NI | WCI 316085600 |
| NI | WCI 316253231 |
| NI | WCI 5303280311 |
| NI | 5303321319 Frigidaire Refrigerator White Touch Up Paint |
| NI | 316205500 Frigidaire Oven Nut |
| NI | 3203550 Frigidaire Oven Plug |
| NI | 5308014215 Frigidaire Oven Screw |
| NI | 5303271648 Frigidaire Oven Screw |
| NI | 5303285179 Frigidaire Oven Door Screw |
| NI | Screw,cup pt ,8-18 x 0.375 ,chrome |
| NI | 5303321321 Frigidaire Refrigerator Black Touch-Up Paint |
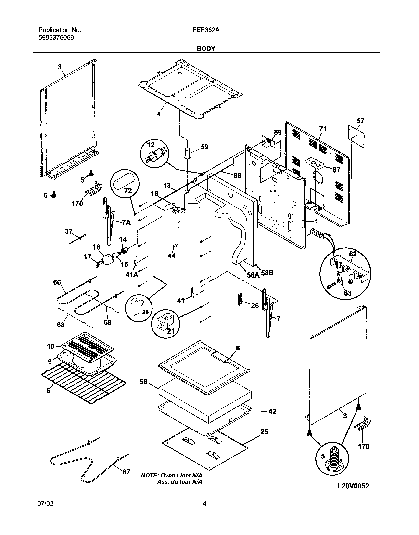
| 1 | WCI 316201300 |
| 3 | WCI 316230102 |
| 3 | WCI 316230103 |
| 4 | 5304522901 Frigidaire M Burner Box |
| 5 | WCI 316129200 |
| 6 | 316067902 Frigidaire Oven Rack |
| 7A | 316566207 Frigidaire Oven Hinge |
| 7 | 316566206 Frigidaire Oven Hinge |
| 8 | PANEL-OVEN BOTTOM |
| 9 | WCI 316081900 |
| 10 | Insert,broiler panOPTIONAL ACCESS0RY |
| 12 | SWITCH-OVEN LIGHT, DOOR FRAME |
| 13 | WCI 316238800 |
| 14 | 316116400 Frigidaire Oven Light Socket |
| 15 | 316538904 Frigidaire Oven Lamp Light |
| 16 | 5304524341 Frigidaire Lens |
| 17 | 316087500 Frigidaire Oven Retainer |
| 18 | WCI 316213900 |
| 21 | SPACER-BODYSIDE, (8) |
| 25 | WCI 3200848 |
| 26 | 316206300 Frigidaire Oven Support |
| 29 | 3051162 Frigidaire Oven Range Front Broiler Drawer Glide |
| 37 | 316233903 Frigidaire Range Oven Temperature Sensor |
| 41A | WCI 316233500 |
| 41 | WCI 316233400 |
| 42 | WCI 316206200 |
| 44 | Spacer,oven door |
| 57 | WCI 316081100 |
| 58B | 316406500 Frigidaire Insulation |
| 58 | 316403803 Frigidaire Insulation |
| 58A | INSULATION, OVEN WRAPPER |
| 59 | WCI 316073604 |
| 62 | 5304409888 Frigidaire Oven Terminal Block with Hardware |
| 63 | PLATE=GROUND STRAP |
| 66 | 316203200 Frigidaire Oven Broil Element 2400W |
| 67 | 316075103 Frigidaire Oven Bake Element |
| 68 | 316203400 Frigidaire Oven Support |
| 71 | WCI 316015810 |
| 72 | WCI 316234500 |
| 87 | 316081200 Frigidaire Oven Bracket |
| 88 | 316203500 Frigidaire Oven Rod |
| 89 | MOTOR |
| 170 | 316112500 Frigidaire Oven Template |
| 170 | 316116000 Frigidaire Screw |
| 170 | 316112005 Frigidaire Oven Anti-Tip Range Bracket Kit |