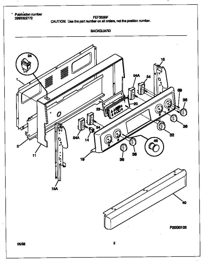
FEF353BFWD 02 – BACKGUARDadmin2025-04-26T10:33:55+00:00FEF353BFWD 02 – BACKGUARD ProductsPositionProduct*84927316021105 Frigidaire Oven Screw*84924316112500 Frigidaire Oven Template*84922WCI 316071902*84926OVERLAY-CLOCK*84920Screw,cup pt ,8-18 x 0.375 ,chrome*84921316021109 Frigidaire Oven Screw*84923WCI 316085600*84925SCREW-SWITCH MTG, 8-32 X 3/16, SW TO CNTL PNL, (8)1WCI 3160816012WCI 31601590711BWCI 31608371911AWCI 31606185114316022503 Frigidaire Light Lamp P-115WCI 31602310815WCI 31602310919WCI 31602449420WCI 31610110323WCI 316100300245304527841 Frigidaire Oven Rocker Switch (Black)32WCI 31610140036WCI 31602510040WCI 31602580046318228310 Frigidaire Oven Lens545303935086 Frigidaire Oven Top Burner Switch Kit54316436001 Frigidaire Oven Range Infinite Burner Switch