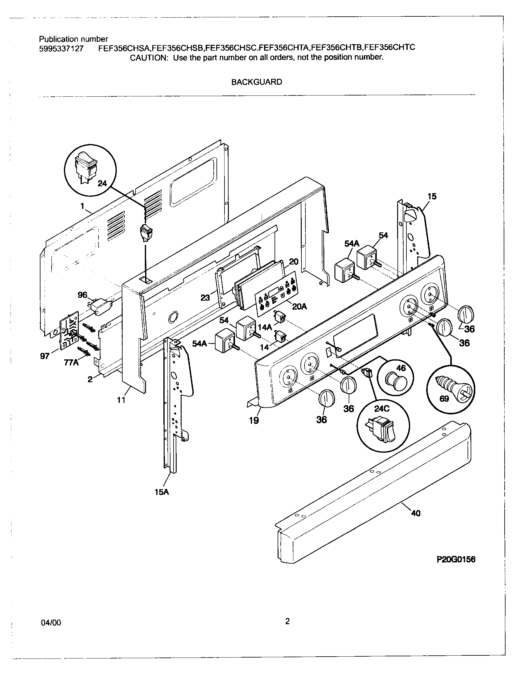
FEF356CHSB 03 – BACKGUARDadmin2025-04-26T10:35:38+00:00FEF356CHSB 03 – BACKGUARD ProductsPositionProductNI316021105 Frigidaire Oven ScrewNIWCI 316002694NI316021109 Frigidaire Oven Screw2WCI 31601590711WCI 31608372114316022503 Frigidaire Light Lamp P-114A316022500 Frigidaire Oven Warmer Drawer Zone Indicator Light Lamp15AWCI 31602310915WCI 31602310819WCI 31610056720WCI 31610100820WCI 31610150223WCI 316100301245304527842 Frigidaire Rocker Switch24C316259800 Frigidaire Switch-Rocker36316025106 Frigidaire Control Knob40WCI 31602580846318228310 Frigidaire Oven Lens545303935086 Frigidaire Oven Top Burner Switch Kit54A316436001 Frigidaire Oven Range Infinite Burner Switch69SCREW-SWITCH MTG, 8-32 X 3/16, SW TO CNTL PNL, (8)96WCI 316113700