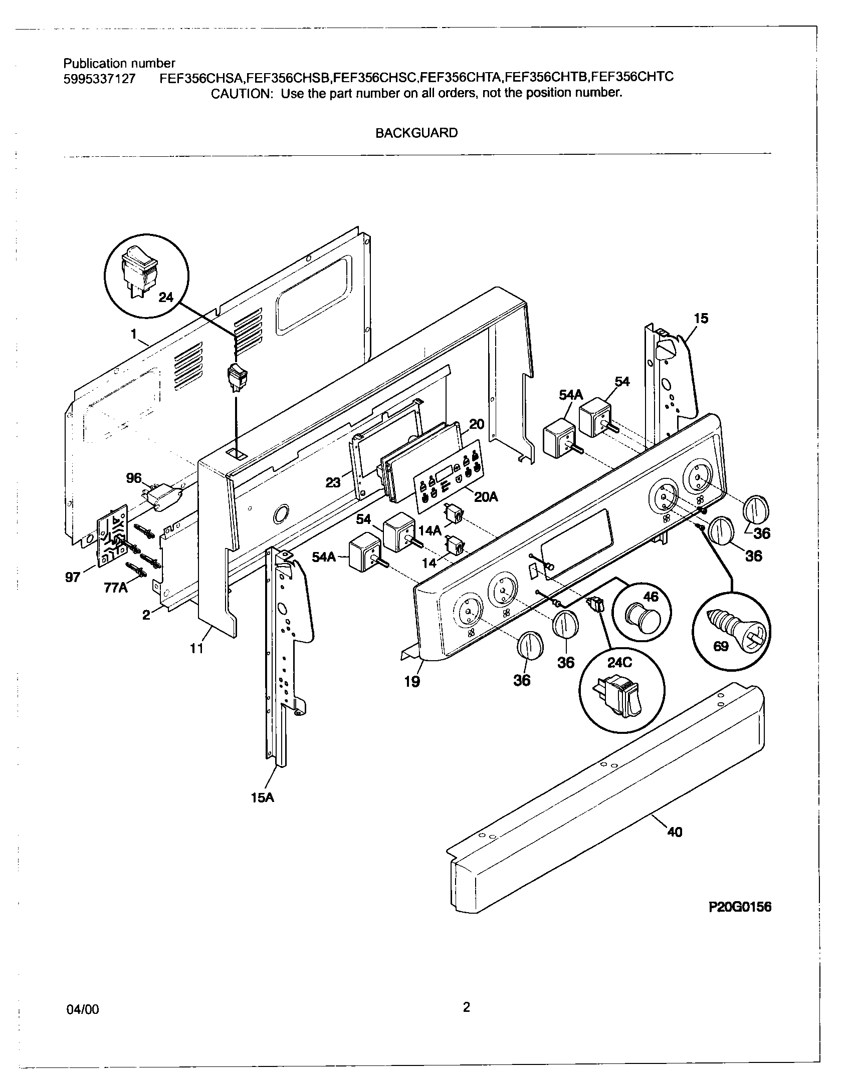
FEF356CHTB 03 – BACKGUARDadmin2025-04-26T10:35:20+00:00FEF356CHTB 03 – BACKGUARD ProductsPositionProductNI316021105 Frigidaire Oven ScrewNIWCI 316002694NI316021109 Frigidaire Oven Screw2WCI 31601590711WCI 31608372014A316022500 Frigidaire Oven Warmer Drawer Zone Indicator Light Lamp14316022503 Frigidaire Light Lamp P-115AWCI 31602310915WCI 31602310819WCI 31610056820WCI 31610150420WCI 31610100823WCI 31610030124WCI 31611810224C316259800 Frigidaire Switch-Rocker36KNOB-CONTROL, INFINITE SW, ALMOND, (4)40PANEL-MANIFOLD46318228310 Frigidaire Oven Lens545303935086 Frigidaire Oven Top Burner Switch Kit54A316436001 Frigidaire Oven Range Infinite Burner Switch69SCREW-SWITCH MTG, 8-32 X 3/16, SW TO CNTL PNL, (8)96WCI 316113700