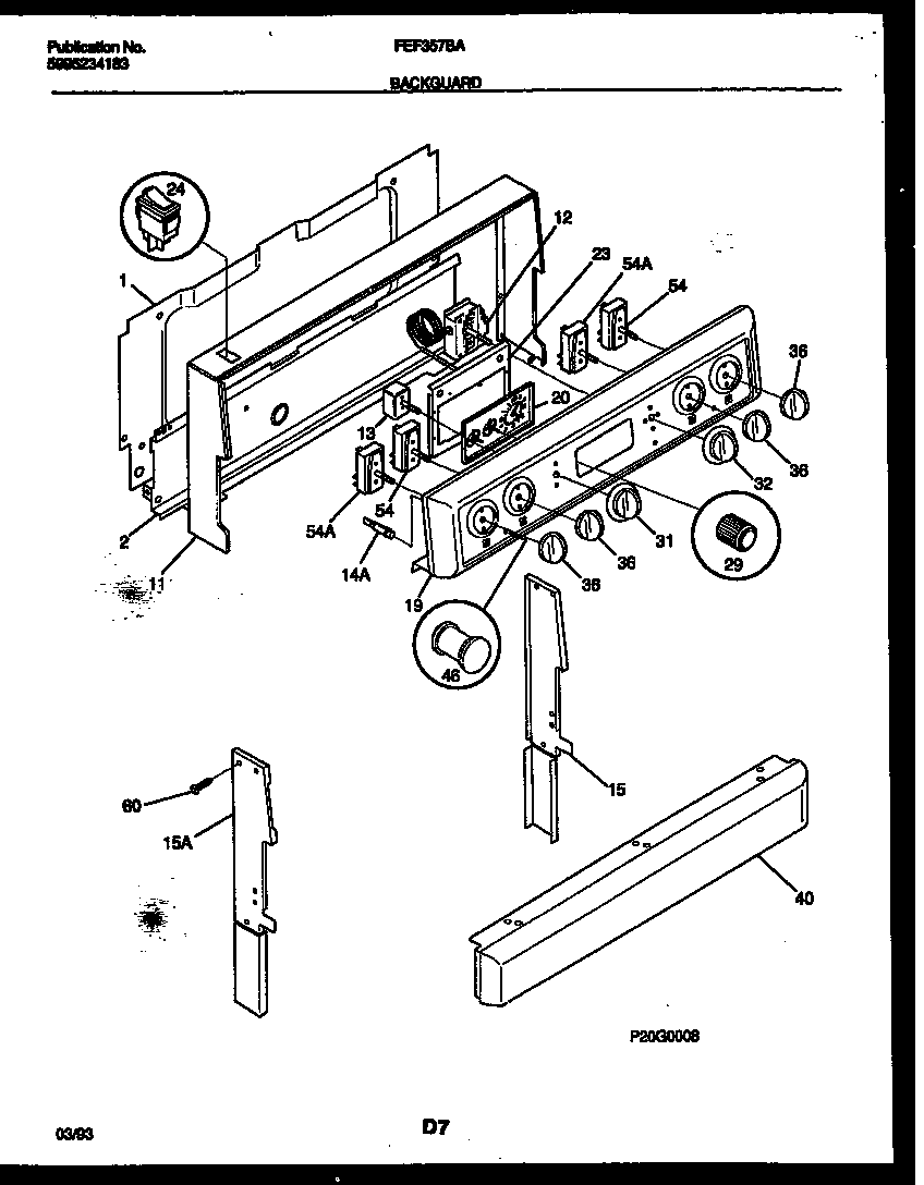
FEF357BADA 02 – BACKGUARDadmin2025-04-26T10:36:07+00:00FEF357BADA 02 – BACKGUARD ProductsPositionProduct1SHIELD-BACKGUARD, REAR WALL2WCI 31601590511WCI 31603430212THERMOSTAT-OVEN13WCI 31602320014A316022503 Frigidaire Light Lamp P-115AWCI 31602310315WCI 31602310219WCI 31602441320WCI 31601740423WCI 316033201245304527841 Frigidaire Oven Rocker Switch (Black)29WCI 31602900031WCI 31605490832WCI 31605490236WCI 31602510040WCI 31602580046318228310 Frigidaire Oven Lens54A316436001 Frigidaire Oven Range Infinite Burner Switch545303935086 Frigidaire Oven Top Burner Switch Kit60WCI 5303288574