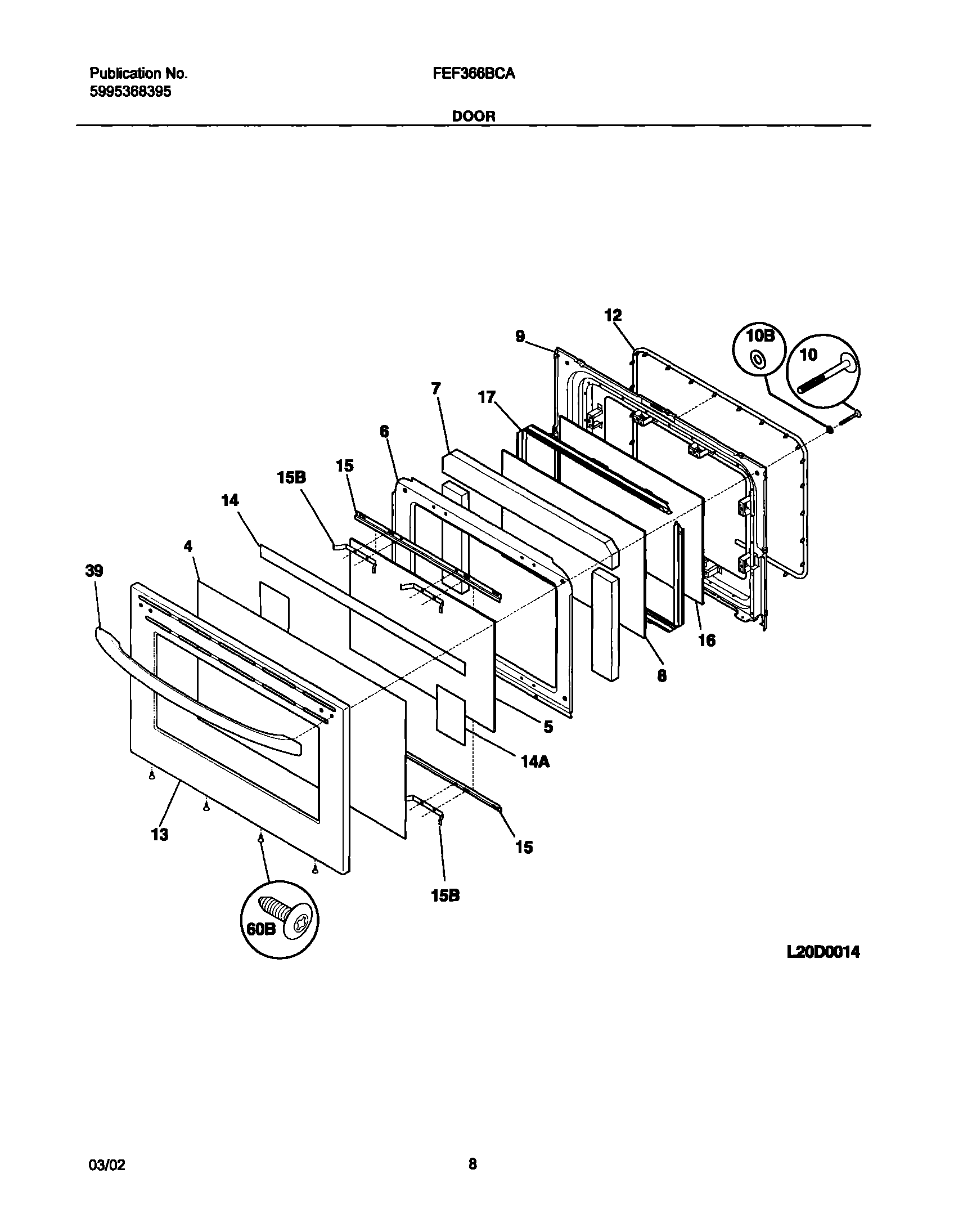
| NI | RIVET-POP, WARING-PLATE |
| NI | WCI 316065306 |
| NI | WCI 316001016 |
| NI | WCI 5303280311 |
| NI | WCI 218490900 |
| NI | 316021109 Frigidaire Oven Screw |
| NI | 5303285179 Frigidaire Oven Door Screw |
| 4 | WCI 316240000 |
| 5 | WCI 316237000 |
| 6 | WCI 316222707 |
| 7 | Insulation,oven door |
| 9 | WCI 316230605 |
| 10 | WCI 316001015 |
| 10B | 316008401 Frigidaire Washer P-1 |
| 12 | WCI 316230900 |
| 13 | WCI 316209400 |
| 14 | 316574603 Frigidaire Oven FOIL |
| 14A | 316574601 Frigidaire Oven FOIL |
| 15 | Bracket,glass support ,(2) |
| 15B | WCI 316085501 |
| 16 | 5304503232 Frigidaire Oven Inner Door Glass |
| 17 | Spacer,door glass ,(2) |
| 39 | WCI 316203000 |
| 60B | 5303271648 Frigidaire Oven Screw |