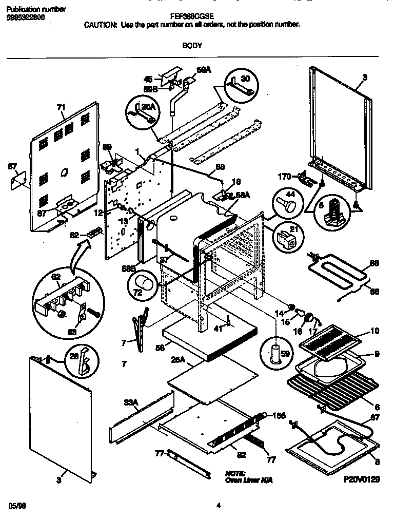
FEF366CGSE 03 – BODY

FEF366CGSE 03 – BODY