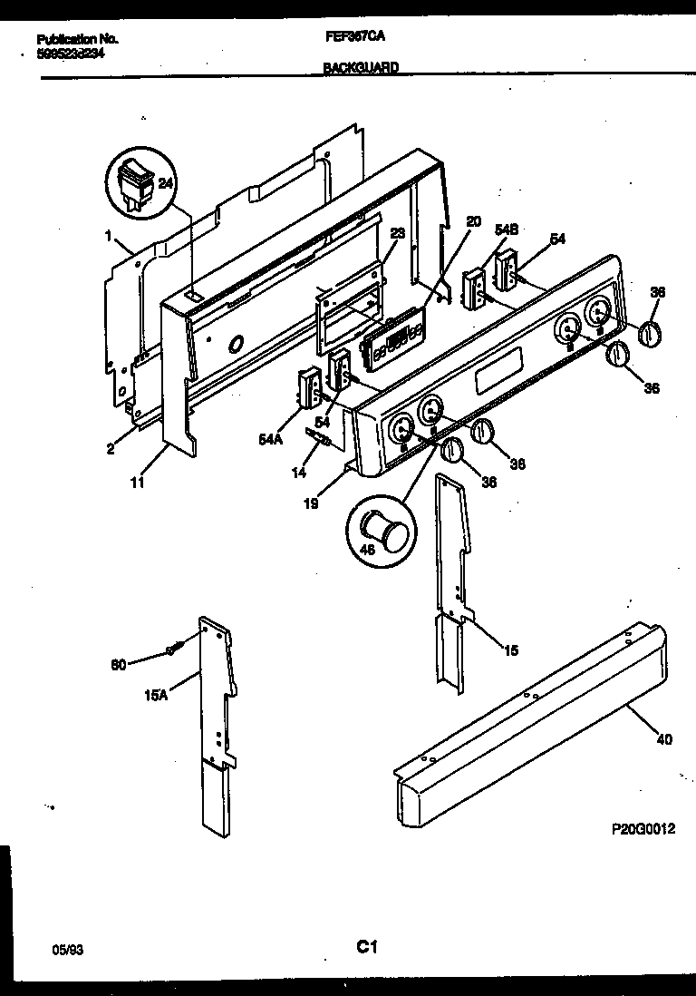
FEF367CASA 02 – BACKGUARDadmin2025-04-26T08:55:13+00:00FEF367CASA 02 – BACKGUARD ProductsPositionProduct1SHIELD-BACKGUARD, REAR WALL2WCI 31601590511WCI 31603430314316022503 Frigidaire Light Lamp P-114BLENS-LIGHT/LAMP, INDICATOR14ALIGHT/LAMP, IND, HOT SURFACE15WCI 31602310215AWCI 31602310319WCI 31602441220WCI 31602720123WCI 31603320124SWITCH-OVEN LIGHT, ROCKER, WHITE36WCI 31602510140WCI 31602580146318228310 Frigidaire Oven Lens54BWCI 316023700545303935086 Frigidaire Oven Top Burner Switch Kit54A316436001 Frigidaire Oven Range Infinite Burner Switch60WCI 5303288574