| NI | RIVET-POP, WARING-PLATE |
| NI | WCI 5303280311 |
| NI | 316021109 Frigidaire Oven Screw |
| NI | WCI 316132100 |
| NI | WCI 316065306 |
| NI | 5303271648 Frigidaire Oven Screw |
| NI | SCREW-SWITCH MTG, 8-32 X 3/16, SW TO CNTL PNL, (8) |
| NI | 5303285179 Frigidaire Oven Door Screw |
| NI | 316008401 Frigidaire Washer P-1 |
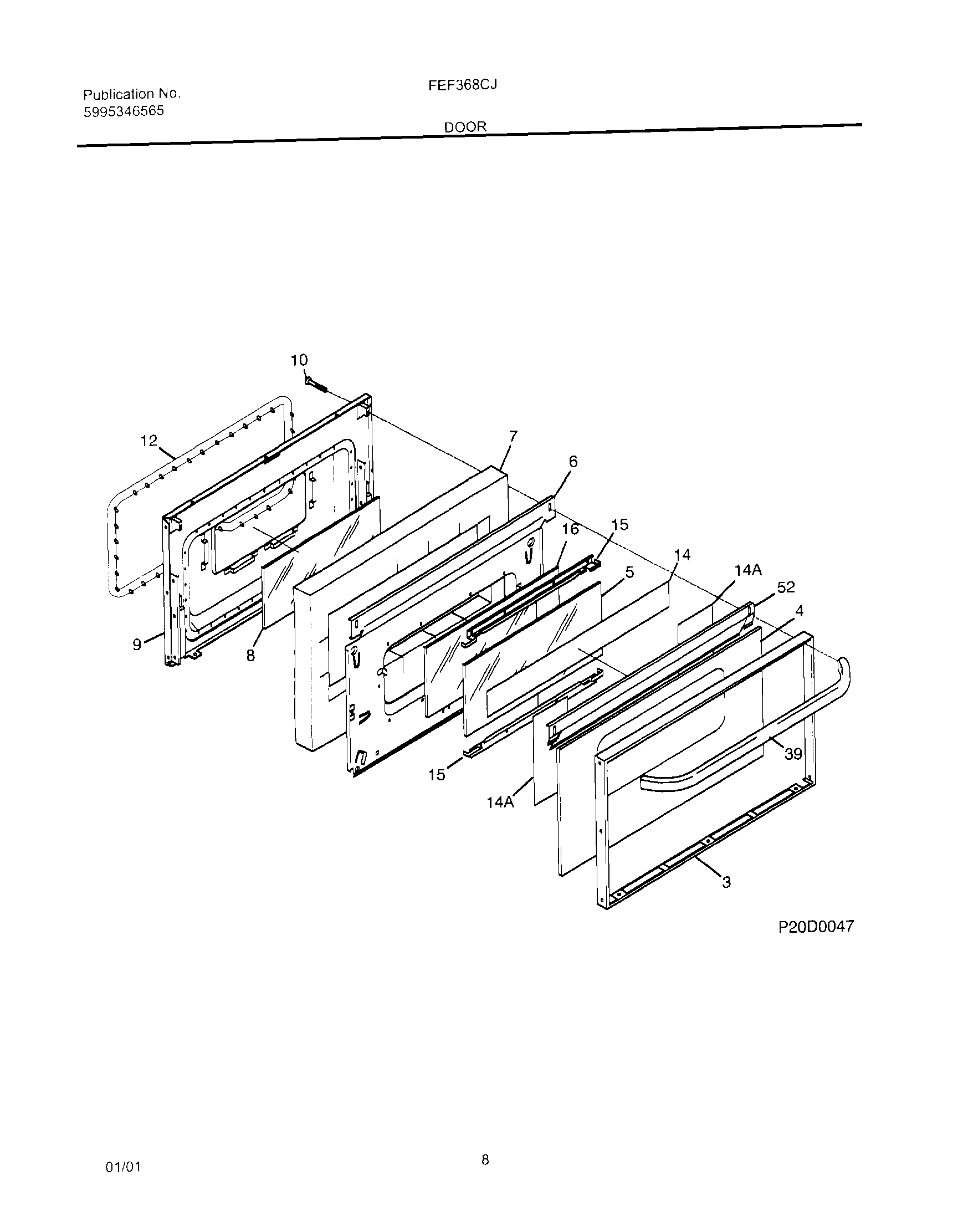
| 3 | WCI 316067802 |
| 4 | WCI 316089000 |
| 5 | WCI 316088700 |
| 6 | WCI 316088401 |
| 7 | WCI 316076403 |
| 8 | GLASS-OVEN DOOR, AIRWASH |
| 9 | WCI 316066610 |
| 10 | WCI 5303280308 |
| 12 | 5303131601 Frigidaire Oven Seal |
| 14 | REFLECTOR, ALUMINUM FOIL |
| 14 | 5303208655 Frigidaire Reflector Assembly |
| 15 | WCI 316081403 |
| 16 | WCI 316085701 |
| 39 | WCI 316091117 |
| 52 | WCI 316081303 |