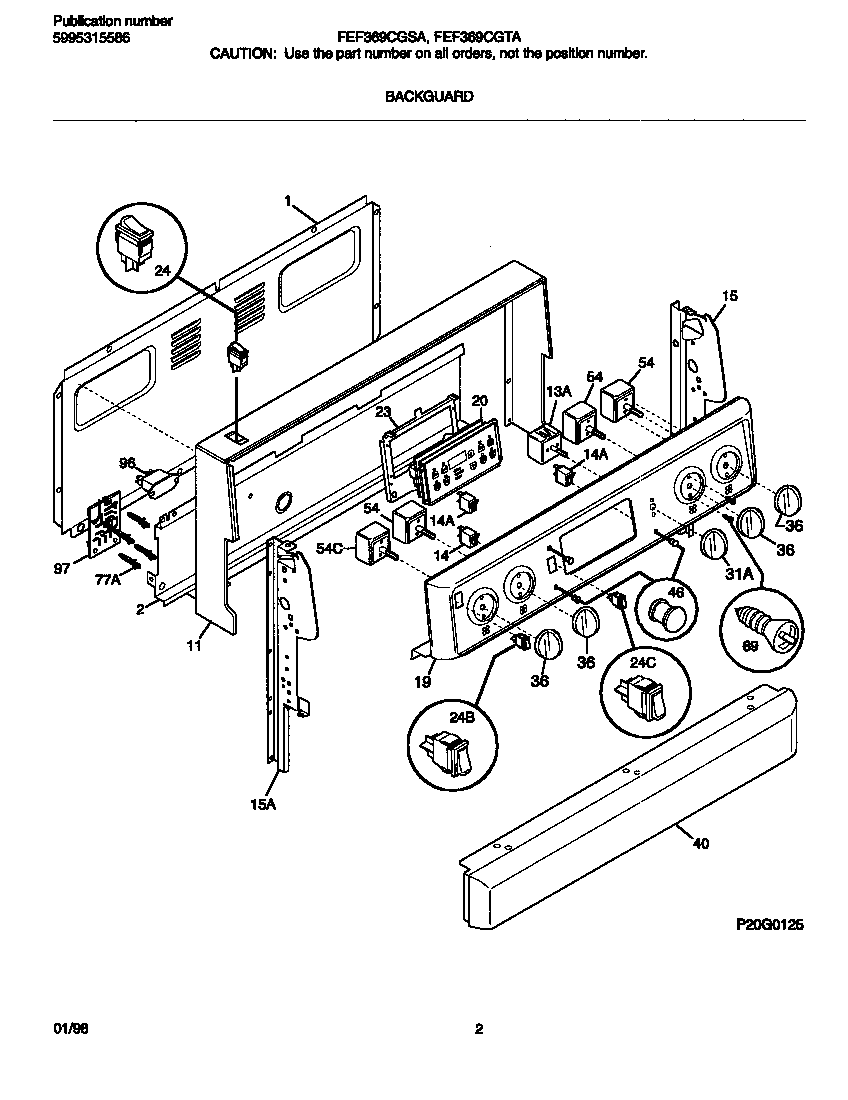
FEF369CGSA 02 – BACKGUARDadmin2025-04-26T10:54:51+00:00FEF369CGSA 02 – BACKGUARD ProductsPositionProduct*62161WCI 316002669*62165WCI 316085600*62164WCI 316071902*62160WCI 316081301*62166316112500 Frigidaire Oven Template*62167WCI 316101502*62162Screw,cup pt ,8-18 x 0.375 ,chrome*62163316021109 Frigidaire Oven Screw1WCI 3160816012WCI 31601590511WCI 316083721135304508926 Frigidaire Oven Temperature Control Switch14316022500 Frigidaire Oven Warmer Drawer Zone Indicator Light Lamp14316022503 Frigidaire Light Lamp P-115WCI 31602310815WCI 31602310919WCI 31610054120WCI 31610100423WCI 31610030024316259800 Frigidaire Switch-Rocker245304527842 Frigidaire Rocker Switch24WCI 31608690131KNOB-WARMER, WHITE, (2)36316025106 Frigidaire Control Knob40WCI 31602580846318228310 Frigidaire Oven Lens545304528972 Frigidaire Switch545303935086 Frigidaire Oven Top Burner Switch Kit54316436001 Frigidaire Oven Range Infinite Burner Switch69SCREW-SWITCH MTG, 8-32 X 3/16, SW TO CNTL PNL, (8)77316114100 Frigidaire Oven Spacer96WCI 316113700