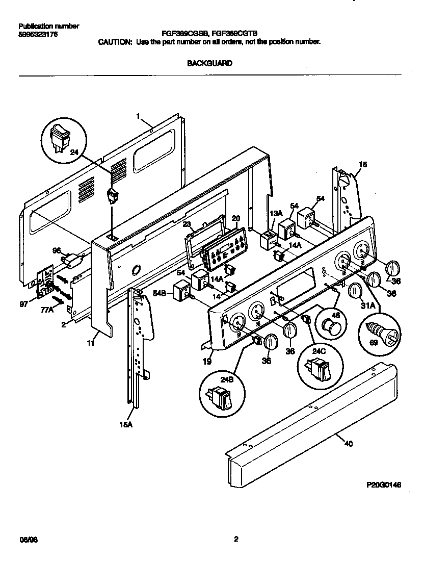
FEF369CGSB 02 – BACKGUARD