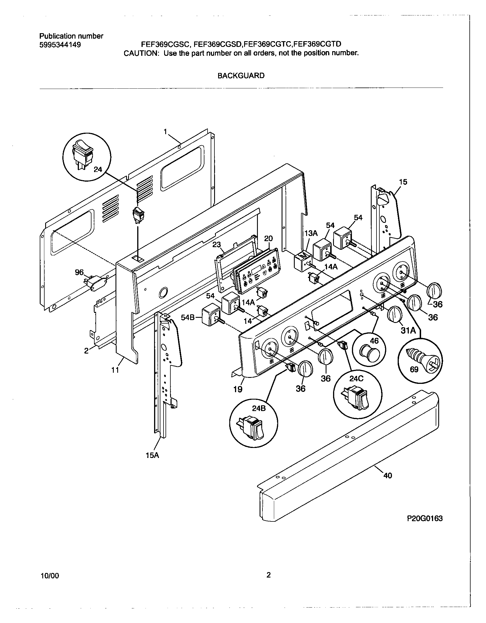
FEF369CGSC 03 – BACKGUARDadmin2025-04-26T10:54:40+00:00FEF369CGSC 03 – BACKGUARD ProductsPositionProductNI316021105 Frigidaire Oven ScrewNISCREW-SWITCH MTG, 8-32 X 3/16, SW TO CNTL PNL, (8)NI316021109 Frigidaire Oven ScrewNIScrew,cup pt ,8-18 x 0.375 ,chrome1WCI 3160816002WCI 31601590511WCI 31608372113A5304508926 Frigidaire Oven Temperature Control Switch14316022503 Frigidaire Light Lamp P-114A316022500 Frigidaire Oven Warmer Drawer Zone Indicator Light Lamp15AWCI 31602310915WCI 31602310819WCI 31610054120WCI 31610100820WCI 31610150223WCI 31610030124C316259800 Frigidaire Switch-Rocker245304527842 Frigidaire Rocker Switch24BWCI 31608690131AKNOB-WARMER, WHITE, (2)36316025106 Frigidaire Control Knob40WCI 31602580846318228310 Frigidaire Oven Lens54B5304528972 Frigidaire Switch545303935086 Frigidaire Oven Top Burner Switch Kit54A316436001 Frigidaire Oven Range Infinite Burner Switch96WCI 316113700