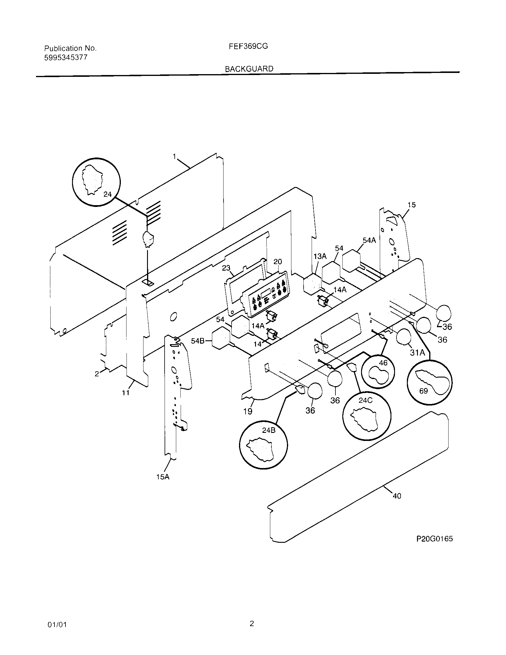
FEF369CGSE 03 – BACKGUARD