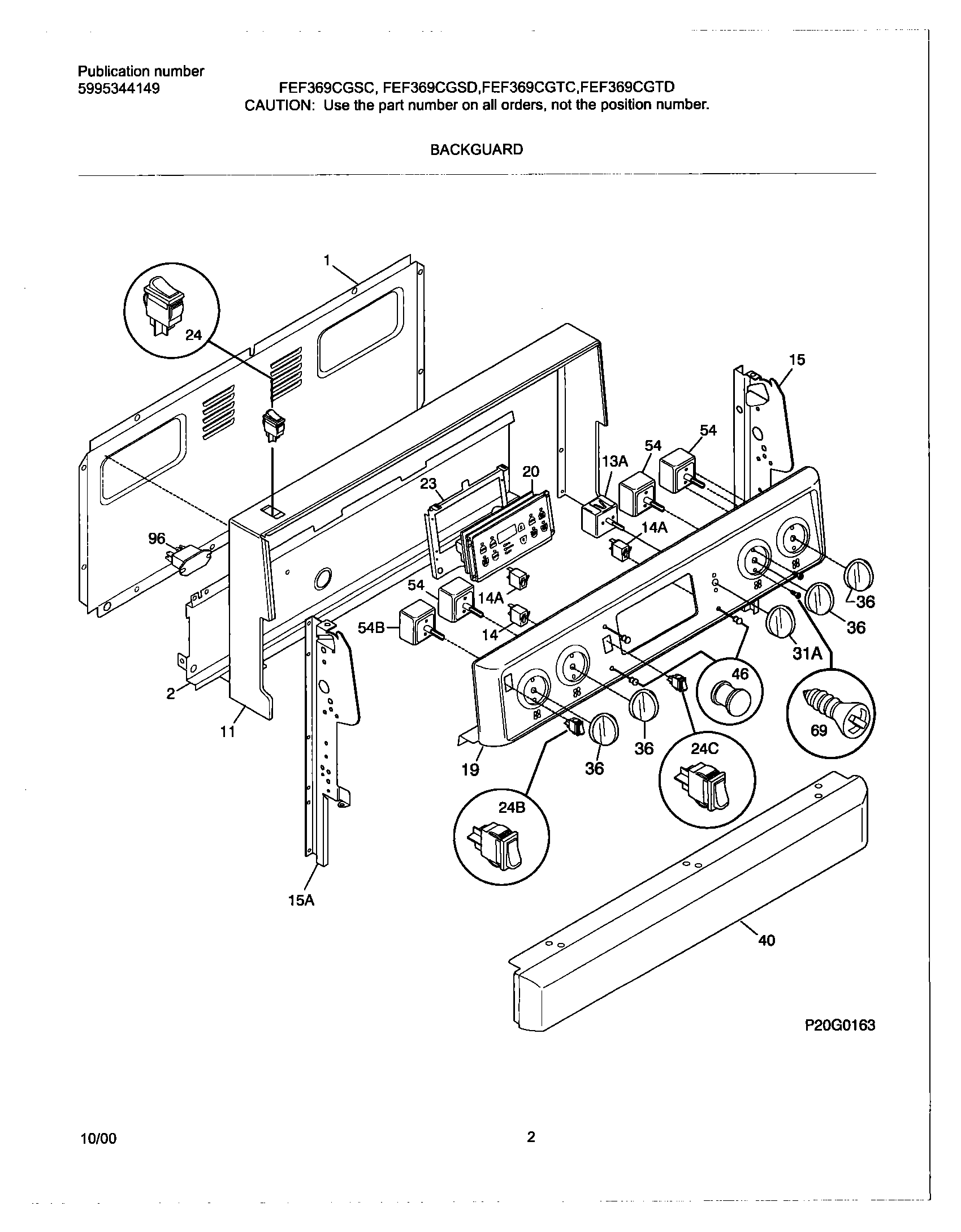
FEF369CGTC 03 – BACKGUARDadmin2025-04-26T10:55:03+00:00FEF369CGTC 03 – BACKGUARD
Products
| Position | Product |
|---|
| NI | 316021105 Frigidaire Oven Screw |
| NI | SCREW-SWITCH MTG, 8-32 X 3/16, SW TO CNTL PNL, (8) |
| NI | 316021109 Frigidaire Oven Screw |
| NI | Screw,cup pt ,8-18 x 0.375 ,chrome |
| 1 | WCI 316081600 |
| 2 | WCI 316015905 |
| 11 | WCI 316083720 |
| 13A | 5304508926 Frigidaire Oven Temperature Control Switch |
| 14 | 316022503 Frigidaire Light Lamp P-1 |
| 14A | 316022500 Frigidaire Oven Warmer Drawer Zone Indicator Light Lamp |
| 15A | WCI 316023109 |
| 15 | WCI 316023108 |
| 19 | WCI 316100542 |
| 20 | WCI 316101008 |
| 20 | WCI 316101504 |
| 23 | WCI 316100301 |
| 24 | WCI 316118102 |
| 24B | SWITCH-ROCKER, ALMOND, DUAL ELEMENT |
| 24C | 316259800 Frigidaire Switch-Rocker |
| 31A | WCI 316095602 |
| 36 | KNOB-CONTROL, INFINITE SW, ALMOND, (4) |
| 40 | PANEL-MANIFOLD |
| 46 | 318228310 Frigidaire Oven Lens |
| 54A | 316436001 Frigidaire Oven Range Infinite Burner Switch |
| 54 | 5303935086 Frigidaire Oven Top Burner Switch Kit |
| 54B | 5304528972 Frigidaire Switch |
| 96 | WCI 316113700 |