| NI | RIVET-POP, WARING-PLATE |
| NI | 316008401 Frigidaire Washer P-1 |
| NI | WCI 5303280311 |
| NI | WCI 316132100 |
| NI | 316021109 Frigidaire Oven Screw |
| NI | WCI 316065306 |
| NI | 5303271648 Frigidaire Oven Screw |
| NI | 5303285179 Frigidaire Oven Door Screw |
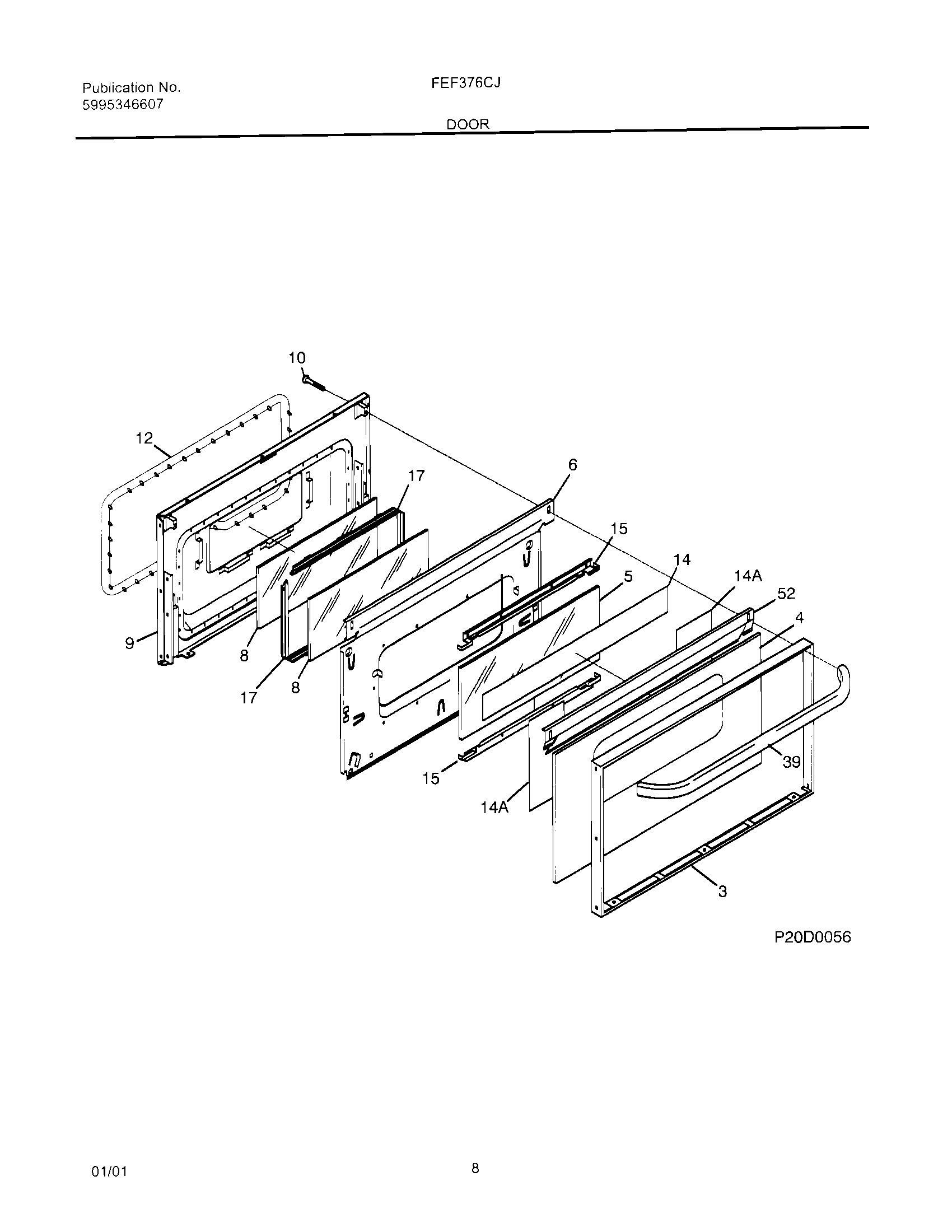
| 3 | WCI 316067803 |
| 4 | WCI 316089014 |
| 5 | WCI 316117601 |
| 6 | WCI 316091404 |
| 8 | 5304503232 Frigidaire Oven Inner Door Glass |
| 9 | WCI 316066619 |
| 10 | WCI 5303280308 |
| 12 | 5303131601 Frigidaire Oven Seal |
| 14 | WCI 316102203 |
| 14 | Foil,4`` x 5.5`` ,aluminum ,clear ,(2) |
| 15 | WCI 316081405 |
| 17 | Spacer,door glass ,(2) |
| 39 | WCI 316091116 |
| 52 | WCI 316081302 |