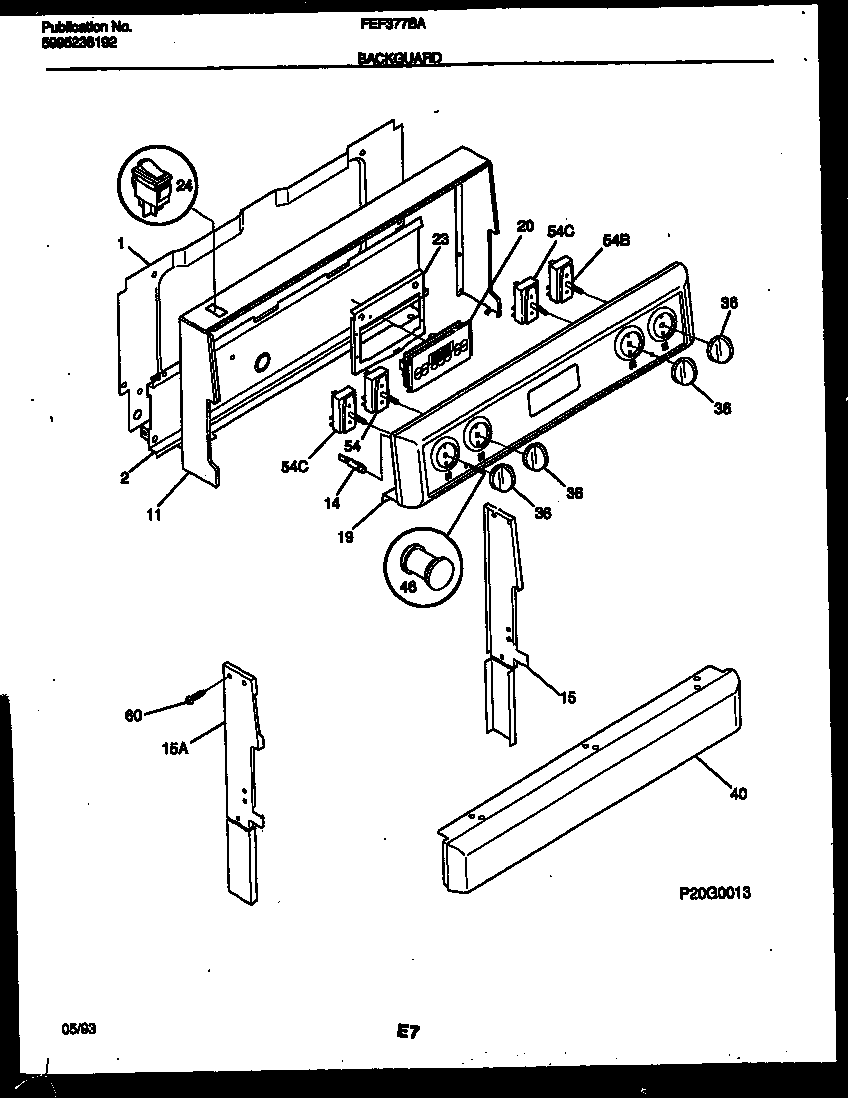
FEF377BADA 02 – BACKGUARDadmin2025-04-26T10:53:40+00:00FEF377BADA 02 – BACKGUARD ProductsPositionProduct1SHIELD-BACKGUARD, REAR WALL2WCI 31601590511WCI 31603430214ALIGHT/LAMP, IND, HOT SURFACE14316022503 Frigidaire Light Lamp P-115WCI 31602310215AWCI 31602310319WCI 31602441920WCI 31602720023WCI 316033201245304527841 Frigidaire Oven Rocker Switch (Black)36WCI 31602510040WCI 31602580046318228310 Frigidaire Oven Lens46ALENS-LIGHT/LAMP, INDICATOR54C5304528972 Frigidaire Switch54BWCI 316023700545303935086 Frigidaire Oven Top Burner Switch Kit60WCI 5303288574