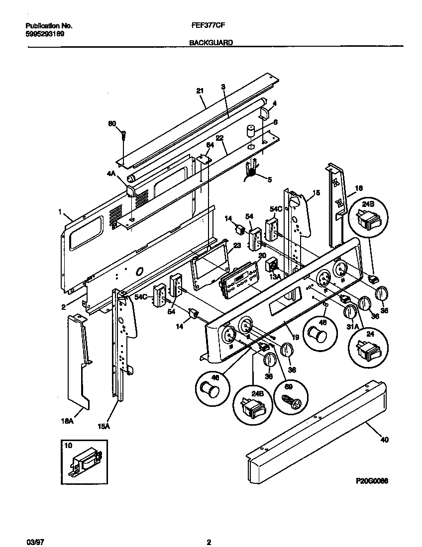
FEF377CFBA 02 – BACKGUARDadmin2025-04-26T10:55:17+00:00FEF377CFBA 02 – BACKGUARD ProductsPositionProduct*26521WCI 5303288574*26520Screw,cup pt ,8-18 x 0.375 ,chrome1WCI 3160816012WCI 3160159053BULB-FLUOR4RECEPTACLE-FLU LT RH4RECEPTACLE-FLU LT LH5WCI 3160532006STARTER-LAMP10WCI 316099800135304508926 Frigidaire Oven Temperature Control Switch14A316022503 Frigidaire Light Lamp P-114B316022500 Frigidaire Oven Warmer Drawer Zone Indicator Light Lamp15WCI 31604910615WCI 31604910718WCI 31602690118WCI 31602690019WCI 31602454320WCI 31608930720WCI 530393512021WCI 31602490022WCI 31605990123WCI 316060003245304527841 Frigidaire Oven Rocker Switch (Black)24316083100 Frigidaire Oven Range Rocker Switch31WCI 31609560036WCI 31602510540WCI 31602580046318228310 Frigidaire Oven Lens545304528972 Frigidaire Switch545303935086 Frigidaire Oven Top Burner Switch Kit60316021105 Frigidaire Oven Screw64WCI 31606240069SCREW-SWITCH MTG, 8-32 X 3/16, SW TO CNTL PNL, (8)