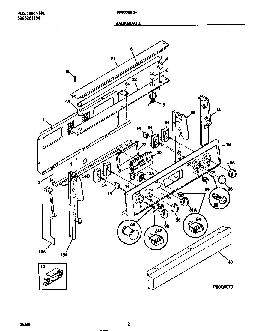
FEF389CETA 02 – BACKGUARDadmin2025-04-26T10:55:40+00:00FEF389CETA 02 – BACKGUARD
Products
| Position | Product |
|---|
| *11360 | Screw,cup pt ,8-18 x 0.375 ,chrome |
| *11362 | WCI 5303290188 |
| *11361 | WCI 5303288574 |
| 1 | WCI 316081601 |
| 2 | WCI 316015905 |
| 3 | BULB-FLUOR |
| 4 | RECEPTACLE-FLU LT RH |
| 4 | RECEPTACLE-FLU LT LH |
| 5 | WCI 316053200 |
| 6 | STARTER-LAMP |
| 10 | WCI 5303051115 |
| 13 | 5304508926 Frigidaire Oven Temperature Control Switch |
| 14C | WCI 316082403 |
| 14A | 316022500 Frigidaire Oven Warmer Drawer Zone Indicator Light Lamp |
| 14B | 316022503 Frigidaire Light Lamp P-1 |
| 15 | WCI 316049107 |
| 15 | WCI 316049106 |
| 18 | WCI 316026907 |
| 18 | WCI 316026906 |
| 19 | WCI 316024530 |
| 20 | WCI 5303935117 |
| 21 | WCI 316024903 |
| 22 | WCI 316059901 |
| 23 | WCI 316060003 |
| 24 | WCI 316076302 |
| 24 | SWITCH-ROCKER,OVEN LIGHT ,ALMOND |
| 31 | WCI 316095602 |
| 36 | KNOB-CONTROL, INFINITE SW, ALMOND, (4) |
| 40 | PANEL-MANIFOLD |
| 46 | 318228310 Frigidaire Oven Lens |
| 54 | 5303935086 Frigidaire Oven Top Burner Switch Kit |
| 54 | 5304528972 Frigidaire Switch |
| 60 | 316021105 Frigidaire Oven Screw |
| 64 | WCI 316062400 |
| 69 | SCREW-SWITCH MTG, 8-32 X 3/16, SW TO CNTL PNL, (8) |