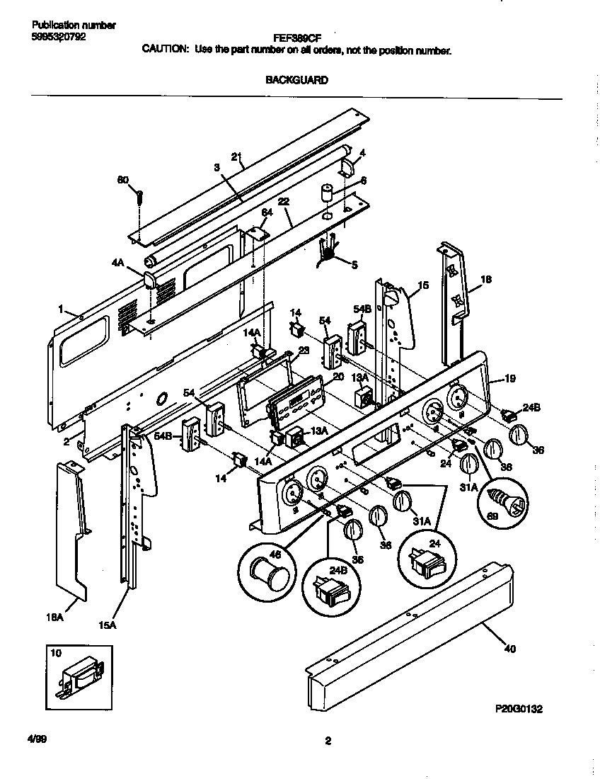
FEF389CFBK 02 – BACKGUARDadmin2025-04-26T11:37:29+00:00FEF389CFBK 02 – BACKGUARD ProductsPositionProduct*91721WCI 316002645*91725WCI 316085600*91726316112500 Frigidaire Oven Template*91723316021109 Frigidaire Oven Screw*91722Screw,cup pt ,8-18 x 0.375 ,chrome1WCI 3160816012WCI 3160159053BULB-FLUOR4RECEPTACLE-FLU LT LH4RECEPTACLE-FLU LT RH5WCI 3160532006STARTER-LAMP10WCI 316099800135304508926 Frigidaire Oven Temperature Control Switch14316022500 Frigidaire Oven Warmer Drawer Zone Indicator Light Lamp14316022503 Frigidaire Light Lamp P-115WCI 31604910415WCI 31604910518WCI 31602690118WCI 31602690019WCI 31602454020WCI 530393511820WCI 31608001021WCI 31602490022WCI 31605990123WCI 31606000224316083100 Frigidaire Oven Range Rocker Switch245304527841 Frigidaire Oven Rocker Switch (Black)31WCI 31609560036WCI 31602510540WCI 31602580046318228310 Frigidaire Oven Lens545303935086 Frigidaire Oven Top Burner Switch Kit545304528972 Frigidaire Switch60316021105 Frigidaire Oven Screw64WCI 31606240069SCREW-SWITCH MTG, 8-32 X 3/16, SW TO CNTL PNL, (8)