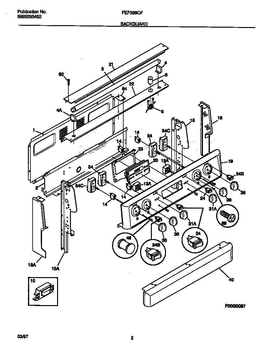
FEF389CFSA 02 – BACKGUARD