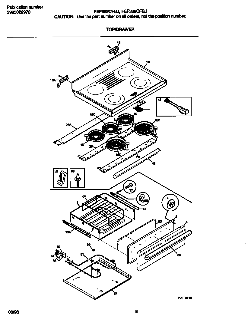
FEF389CFSJ 04 – TOP/DRAWERadmin2025-04-26T10:58:57+00:00FEF389CFSJ 04 – TOP/DRAWER ProductsPositionProduct*39733WCI 316001918*39739WCI 5303280311*39738WCI 316112101*39737Clip,wiring harness ,green ,main top*39740WCI 316001745*39734Screw,cup pt ,8-18 x 0.375 ,chrome*39735316021109 Frigidaire Oven Screw*39732WCI 3160019171WCI 3161159012WCI 3160929014WCI 31605620113318259507 Frigidaire Oven Glide13318259506 Frigidaire Oven Glide14WCI 320621615WCI 31604970215WCI 31609820015389082702 Frigidaire Element15318198817 Frigidaire Oven Element16WCI 31609812018HINGE-MAIN TOP (RH)18HINGE-MAIN TOP (LH)26WCI 31609920126WCI 31609910139WCI 31602610648WCI 31610020051WCI 31610520052Clip,element mtg80WCI 31610970081WCI 31609310082316093200 Frigidaire Bracket83WCI 31609330084WCI 31609350085807328301 Frigidaire Oven Rack86316095800 Frigidaire Oven Clip87WCI 31609190088316099500 Frigidaire Oven Pin96WCI 31612200097WCI 316003802